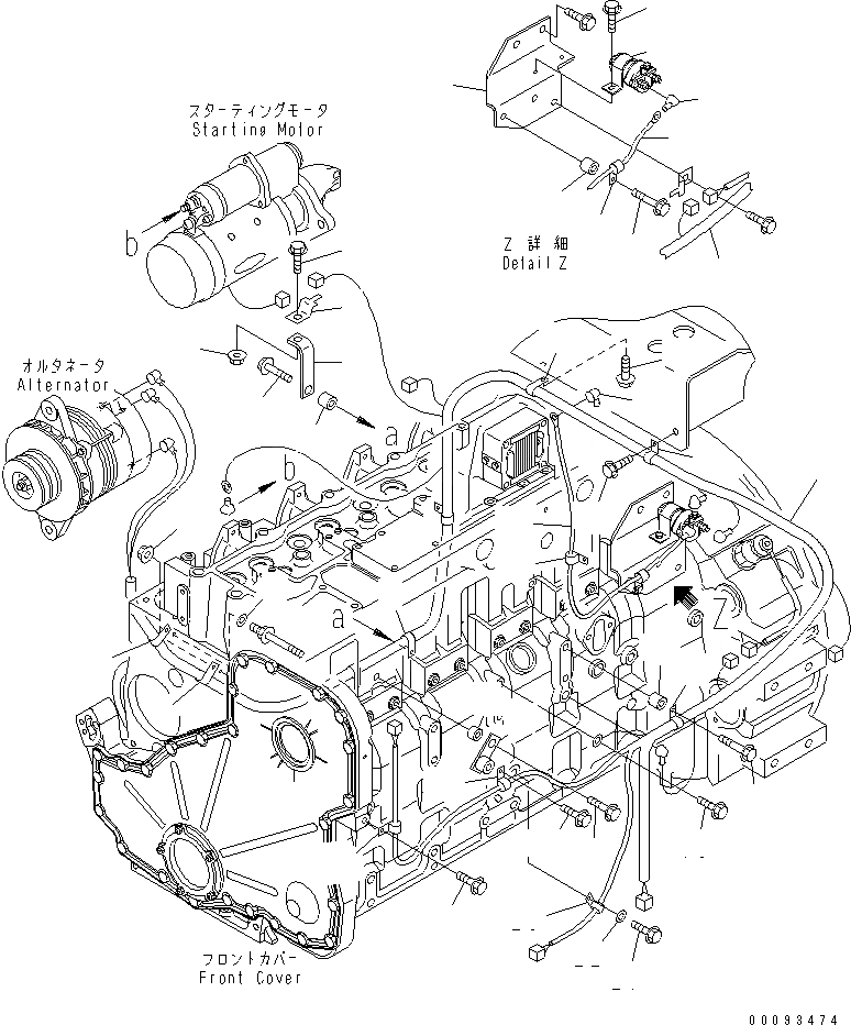
Запчасти Komatsu SAA6D114E-2A-A ПРОВОДКА (ДЛЯ CHINA)(№87-) ДВИГАТЕЛЬ

Схема запчастей Komatsu SAA6D114E-2A-A - ПРОВОДКА (ДЛЯ CHINA)(№87-) ДВИГАТЕЛЬ
1
1
2
2
3
4
5
6
7
8
9
10
11
12
13
14
15
16
17
18
19
20
21
22
23
24
25
26
26
27
27
28
29
30
31
31
32
32
33
34
35
36
FIT
1:1
100%

Артикул

Название

Примечание

Количество

1

6743-81-8310

WIRING HARNESS

SN: 26827054-UP

1шт.

2

04434-51408

CLIP

SN: 26827054-UP

2шт.

3

01643-30623

WASHER

SN: 26827054-UP

2шт.

4

01584-00605

NUT

SN: 26827054-UP

2шт.

5

6631-11-5630

SPACER

SN: 26827054-UP

1шт.

6

6206-11-5930

BRACKET

SN: 26827054-UP

1шт.

7

01435-00835

BOLT

SN: 26827054-UP

1шт.

8

04434-51408

CLIP

SN: 26827054-UP

1шт.

9

08193-20010

CLIP

SN: 26827054-UP

1шт.

10

01435-00814

BOLT

SN: 26827054-UP

1шт.

11

01584-00806

NUT

SN: 26827054-UP

1шт.

12

04434-51510

CLIP

SN: 26827054-UP

1шт.

13

01435-01014

BOLT

SN: 26827054-UP

1шт.

14

04434-51510

CLIP

SN: 26827054-UP

1шт.

15

01435-01020

BOLT

SN: 26827054-UP

1шт.

16

6631-11-5630

SPACER

SN: 26827054-UP

1шт.

17

01435-01035

BOLT

SN: 26827054-UP

1шт.

18

04434-51610

CLIP

SN: 26827054-UP

1шт.

19

01435-00812

BOLT

SN: 26827054-UP

1шт.

20

04434-50612

CLIP

SN: 26827054-UP

1шт.

21

01435-01220

BOLT

SN: 26827054-UP

1шт.

22

01643-31232

WASHER

SN: 26827054-UP

1шт.

23

6131-12-5920

SPACER

SN: 26827054-UP

1шт.

24

426-06-11570

BRACKET

SN: 26827054-UP

1шт.

25

01435-01030

BOLT

SN: 26827054-UP

1шт.

26

04434-50510

CLIP

SN: 26827054-UP

2шт.

27

01435-01014

BOLT

SN: 26827054-UP

2шт.

28

600-815-2170

SWITCH

SN: 26827054-UP

1шт.

29

01435-00612

BOLT

SN: 26827054-UP

2шт.

30

6743-81-9131

BRACKET

SN: 26827054-UP

1шт.

31

6211-81-4290

WIRE

SN: 26827054-UP

1шт.

32

08038-10519

CAP

SN: 26827054-UP

2шт.

33

6631-11-5630

SPACER

SN: 26827054-UP

1шт.

34

04434-50610

CLIP

SN: 26827054-UP

1шт.

35

01435-01040

BOLT

SN: 26827054-UP

1шт.

36

04434-50608

CLIP

SN: 26827054-UP

1шт.

Выбрано товаров: 36