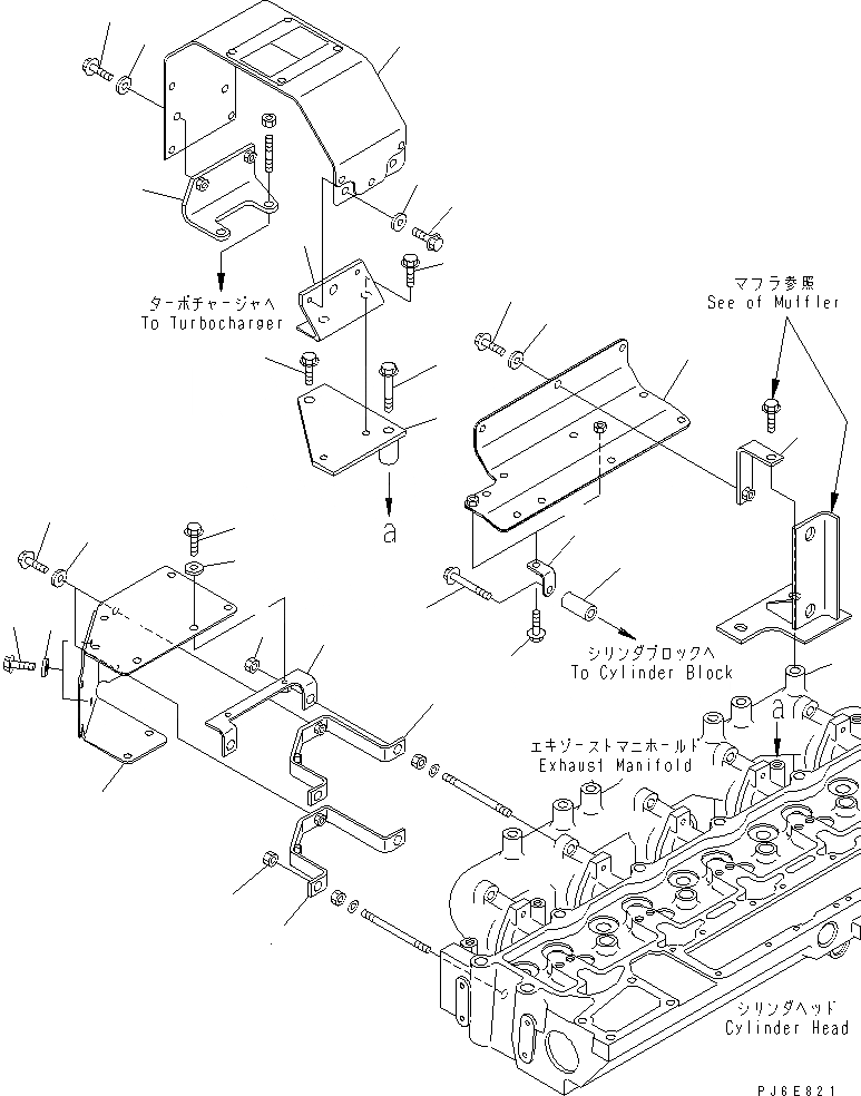
Запчасти Komatsu SAA6D114E-2A-A ТЕРМОЗАЩИТА(№87-87) ДВИГАТЕЛЬ

Схема запчастей Komatsu SAA6D114E-2A-A - ТЕРМОЗАЩИТА(№87-87) ДВИГАТЕЛЬ
1
1
2
3
3
4
5
5
5
6
6
6
7
8
9
10
11
12
13
14
14
15
15
16
17
18
19
20
21
22
23
FIT
1:1
100%

Артикул

Название

Примечание

Количество

1

6743-81-8450

BRACKET

SN: 26800327-26805071

2шт.

2

6743-81-8461

BRACKET

SN: 26800327-26805071

1шт.

3

01581-01008

NUT

SN: 26800327-26805071

4шт.

4

6743-81-8421

COVER

SN: 26800327-26805071

1шт.

5

01435-00820

BOLT

SN: 26800327-26805071

7шт.

6

154-61-16570

WASHER

SN: 26801618-26805071

7шт.

6

6201-81-6560

SPACER

SN: 26800327-26801617

7шт.

7

6743-81-8480

PLATE

SN: 26800327-26805071

1шт.

8

01435-01016

BOLT

SN: 26800327-26805071

1шт.

9

01435-01055

BOLT

SN: 26800327-26805071

1шт.

10

6743-81-8430

BRACKET

SN: 26800327-26805071

1шт.

11

01435-01025

BOLT

SN: 26800327-26805071

2шт.

12

6743-81-8440

BRACKET

SN: 26800327-26805071

1шт.

13

6743-81-8410

COVER

SN: 26800327-26805071

1шт.

14

01435-00820

BOLT

SN: 26800327-26805071

4шт.

15

154-61-16570

WASHER

SN: 26801618-26805071

4шт.

15

6201-81-6560

SPACER

SN: 26800327-26801617

4шт.

16

6741-11-5310

COVER

SN: 26800327-26805071

1шт.

17

6050-71-5710

BRACKET

SN: 26800327-26805071

2шт.

18

01435-00816

BOLT

SN: 26800327-26805071

2шт.

19

6138-81-8660

SPACER

SN: 26800327-26805071

2шт.

20

01435-00855

BOLT

SN: 26800327-26805071

2шт.

21

6743-81-8490

BRACKET

SN: 26800327-26805071

1шт.

22

01435-00820

BOLT

SN: 26800327-26805071

1шт.

23

154-61-16570

WASHER

SN: 26801618-26805071

1шт.

23

6201-81-6560

SPACER

SN: 26800327-26801617

1шт.

Выбрано товаров: 26