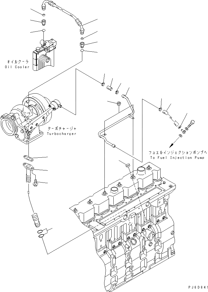
Запчасти Komatsu SAA6D114E-2B МАСЛОПРОВОДЯЩИЕ ТРУБКИ ТУРБОНАГНЕТАТЕЛЯ(№87-) ДВИГАТЕЛЬ

Схема запчастей Komatsu SAA6D114E-2B - МАСЛОПРОВОДЯЩИЕ ТРУБКИ ТУРБОНАГНЕТАТЕЛЯ(№87-) ДВИГАТЕЛЬ
1
2
3
3
3
3
4
5
6
7
7
8
8
9
9
10
11
12
13
14
1
2
3
3
3
3
4
5
6
7
7
8
8
9
9
10
11
12
13
14
FIT
1:1
100%

Артикул

Название

Примечание

Количество

1

6743-82-8170

HOSE

SN: 26800425-UP

1шт.

|1

0

HOSE

SN: 26800007-26800424

1шт.

2

6743-82-8160

HOSE

SN: 26800425-UP

1шт.

|2

0

HOSE

SN: 26800007-26800424

1шт.

3

07281-00167

CLAMP

SN: 26800007-UP

4шт.

4

6742-01-5156

TUBE

SN: 26800007-UP

1шт.

5

6732-71-3210

NUT

SN: 26800007-UP

2шт.

6

6735-51-8130

HOSE

SN: 26800007-UP

1шт.

|7

6736-51-8140

CONNECTOR ASS'Y

SN: 26800007-UP

2шт.

7

6736-51-8710

O-RING (K1)

SN: 26800007-UP

1шт.

8

6735-51-8270

CONNECTOR

SN: 26800007-UP

1шт.

9

6736-51-8730

WASHER,SEAL (K1)

SN: 26800007-UP

2шт.

|10

1304835H91

CONNECTION ASS'Y,OIL DRAIN

SN: 26800007-UP

1шт.

10

6742-01-3450

CONNECTION

SN: 26800007-UP

1шт.

11

6732-51-8330

O-RING (K1)

SN: 26800007-UP

2шт.

12

6732-71-3220

BOLT

SN: 26800007-UP

2шт.

13

6735-21-5530

PLUG

SN: 26800007-UP

1шт.

14

6207-51-7690

GASKET (K1)

SN: 26800007-UP

1шт.

1

6743-82-8170

HOSE

SN: 26800425-UP

1шт.

|1

0

HOSE

SN: 26800007-26800424

1шт.

2

6743-82-8160

HOSE

SN: 26800425-UP

1шт.

|2

0

HOSE

SN: 26800007-26800424

1шт.

3

07281-00167

CLAMP

SN: 26800007-UP

4шт.

4

6742-01-5156

TUBE

SN: 26800007-UP

1шт.

5

6732-71-3210

NUT

SN: 26800007-UP

2шт.

6

6735-51-8130

HOSE

SN: 26800007-UP

1шт.

|7

6736-51-8140

CONNECTOR ASS'Y

SN: 26800007-UP

2шт.

7

6736-51-8710

O-RING (K1)

SN: 26800007-UP

1шт.

8

6735-51-8270

CONNECTOR

SN: 26800007-UP

1шт.

9

6736-51-8730

WASHER,SEAL (K1)

SN: 26800007-UP

2шт.

|10

1304835H91

CONNECTION ASS'Y,OIL DRAIN

SN: 26800007-UP

1шт.

10

6742-01-3450

CONNECTION

SN: 26800007-UP

1шт.

11

6732-51-8330

O-RING (K1)

SN: 26800007-UP

2шт.

12

6732-71-3220

BOLT

SN: 26800007-UP

2шт.

13

6735-21-5530

PLUG

SN: 26800007-UP

1шт.

14

6207-51-7690

GASKET (K1)

SN: 26800007-UP

1шт.

Выбрано товаров: 36