Запчасти Komatsu SAA6D114E-2CC-8M ГЛУШИТЕЛЬ(№8989-) ДВИГАТЕЛЬ

Схема запчастей Komatsu SAA6D114E-2CC-8M - ГЛУШИТЕЛЬ(№8989-) ДВИГАТЕЛЬ
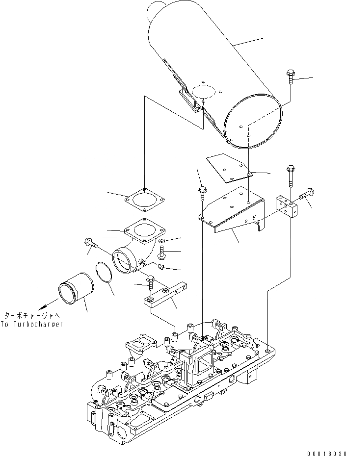
1
2
3
4
5
6
7
8
9
10
11
12
13
14
15
16
FIT
1:1
100%

Артикул

Название

Примечание

Количество

1

6743-11-5810

MUFFLER

SN: 26801989-UP

1шт.

2

6151-11-5751

GASKET

SN: 26801989-UP

1шт.

3

01435-01245

BOLT

SN: 26801989-UP

4шт.

4

6127-11-5180

SPACER

SN: 26801989-UP

4шт.

5

6743-11-5880

PLATE

SN: 26801989-UP

1шт.

6

01435-01025

BOLT

SN: 26801989-UP

4шт.

7

6743-11-5860

BRACKET

SN: 26801989-UP

1шт.

8

01435-01020

BOLT

SN: 26801989-UP

2шт.

9

01435-01045

BOLT

SN: 26801989-UP

2шт.

10

6743-11-5830

PLATE

SN: 26801989-UP

1шт.

11

01435-01025

BOLT

SN: 26801989-UP

2шт.

12

6743-11-5820

ELBOW

SN: 26801989-UP

1шт.

13

07042-20108

PLUG

SN: 26801989-UP

1шт.

14

01435-01020

BOLT

SN: 26801989-UP

2шт.

15

6743-11-5850

TUBE

SN: 26801989-UP

1шт.

16

6151-11-5280

RING

SN: 26801989-UP

1шт.

Выбрано товаров: 16