Запчасти Komatsu SAA6D114E-2CC-8W ВОЗД. СОЕДИН-Е(№87-) ДВИГАТЕЛЬ

Схема запчастей Komatsu SAA6D114E-2CC-8W - ВОЗД. СОЕДИН-Е(№87-) ДВИГАТЕЛЬ
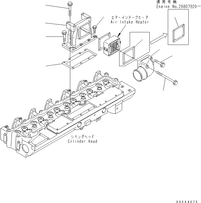
1
2
3
4
5
6
7
7
8
9
FIT
1:1
100%

Артикул

Название

Примечание

Количество

1

6743-11-4310

CONNECTOR

SN: 26800007-UP

1шт.

2

1307687H1

GASKET (K1)

SN: 26800007-UP

1шт.

3

01435-60850

BOLT

SN: 26831822-UP

3шт.

3

0

BOLT

SN: 26800007-26831821

3шт.

4

6742-01-2441

BOLT

SN: 26801177-UP

2шт.

4

0

BOLT

SN: 26800007-26801176

2шт.

5

6732-21-6630

BOLT

SN: 26800007-UP

1шт.

6

6743-11-4810

CONNECTOR

SN: 26800007-UP

1шт.

7

6754-11-4120

GASKET

SN: 26807920-UP

1шт.

7

0

GASKET (K1)

SN: 26800007-26807919

1шт.

8

01435-00880

BOLT

SN: 26800007-UP

2шт.

9

6222-11-4910

BOLT

SN: 26800007-UP

2шт.

Выбрано товаров: 12