Запчасти Komatsu SAA6D114E-3 ТЕРМОЗАЩИТА ДВИГАТЕЛЬ

Схема запчастей Komatsu SAA6D114E-3 - ТЕРМОЗАЩИТА ДВИГАТЕЛЬ
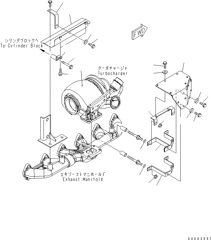
1
2
3
4
4
5
6
6
6
7
7
7
8
8
9
10
11
12
13
14
15
16
FIT
1:1
100%

Артикул

Название

Примечание

Количество

1

6745-81-8410

BRACKET

SN: .-UP

1шт.

2

6745-81-8420

BRACKET

SN: .-UP

1шт.

3

6745-81-8430

BRACKET

SN: .-UP

1шт.

4

01581-01008

NUT

SN: .-UP

4шт.

5

6745-81-8440

COVER

SN: .-UP

1шт.

6

01435-00820

BOLT

SN: .-UP

6шт.

7

154-61-16570

WASHER

SN: .-UP

6шт.

8

01643-31032

WASHER

SN: .-UP

4шт.

9

6745-81-8451

COVER

SN: .-UP

1шт.

10

6745-11-5310

COVER

SN: .-UP

1шт.

11

6050-71-5710

BRACKET

SN: .-UP

2шт.

12

01435-00816

BOLT

SN: .-UP

2шт.

13

01435-00855

BOLT

SN: .-UP

2шт.

14

6743-81-8490

BRACKET

SN: .-UP

1шт.

15

01435-00820

BOLT

SN: .-UP

1шт.

16

154-61-16570

WASHER

SN: .-UP

1шт.

Выбрано товаров: 0