Запчасти Komatsu SAA6D114E-3 ДВИГАТЕЛЬ ПРОВОДКА ДВИГАТЕЛЬ

Схема запчастей Komatsu SAA6D114E-3 - ДВИГАТЕЛЬ ПРОВОДКА ДВИГАТЕЛЬ
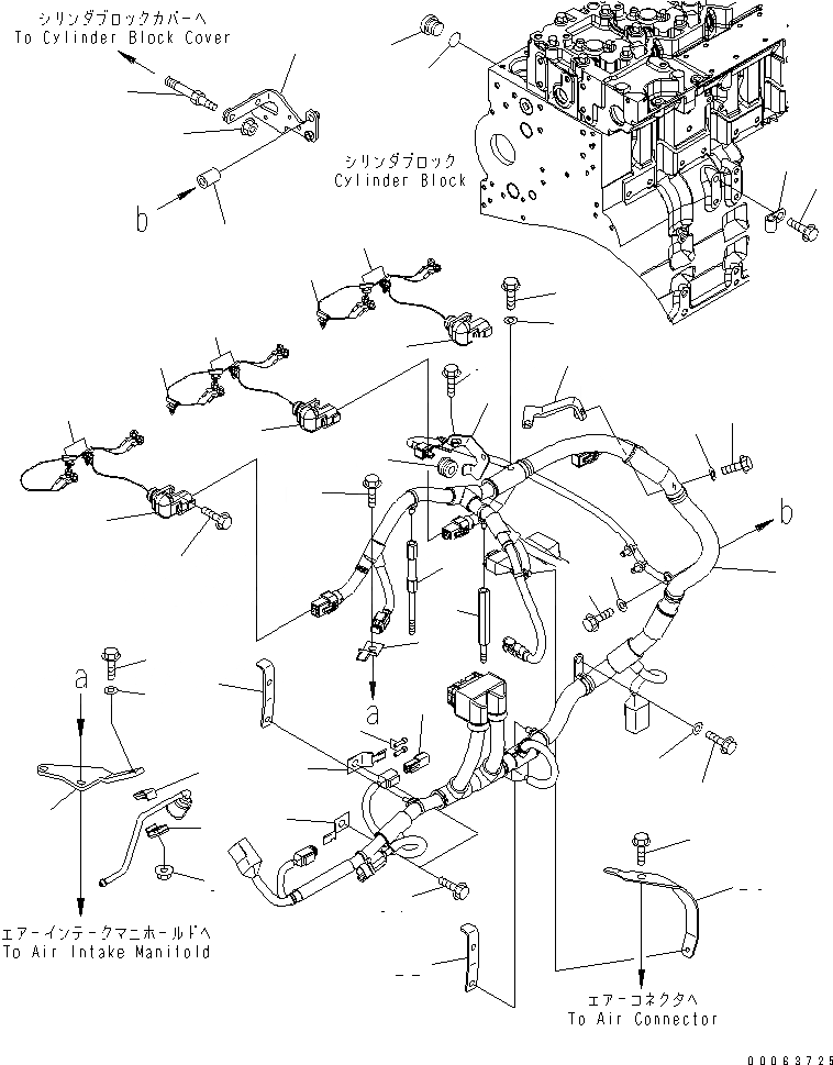
1
1
1
2
3
3
3
3
3
4
5
6
7
8
9
9
9
10
11
12
13
14
15
16
17
17
17
18
19
20
21
22
22
23
24
25
26
27
28
29
30
31
32
33
34
34
35
36
37
FIT
1:1
100%

Артикул

Название

Примечание

Количество

1

6745-81-9210

WIRE HARNESS,WIRE

SN: .-UP

3шт.

2

6732-21-4180

BOLT

SN: .-UP

3шт.

3

6745-81-9390

CLIP

SN: .-UP

8шт.

4

6745-81-9250

WIRE HARNESS,ENGINE CONTROL MODULE WIRING

SN: .-UP

1шт.

5

6742-01-3770

BOLT

SN: .-UP

1шт.

6

6745-81-9710

BRACKET,WIRING

SN: .-UP

1шт.

7

6732-71-3220

BOLT

SN: .-UP

1шт.

8

01584-00605

NUT

SN: .-UP

1шт.

9

08193-20010

CLIP,SENSOR

SN: .-UP

3шт.

10

6130-12-4581

SPACER,MOUNTING

SN: .-UP

1шт.

11

6155-71-5810

CLAMP,TUBE

SN: .-UP

1шт.

12

6155-71-5820

CLAMP,TUBE

SN: .-UP

1шт.

13

01643-30623

WASHER,PLAIN

SN: .-UP

1шт.

14

1317 574 H1

BOLT

SN: .-UP

1шт.

15

6732-61-3140

BOLT

SN: .-UP

1шт.

16

6732-21-3120

BOLT

SN: .-UP

1шт.

17

01640-20816

WASHER,PLAIN

SN: .-UP

3шт.

18

6732-61-6140

BOLT

SN: .-UP

2шт.

19

01640-20716

WASHER,PLAIN

SN: .-UP

1шт.

20

6745-81-9720

SPACER,MOUNTING

SN: .-UP

1шт.

21

6745-81-9730

SPACER,MOUNTING

SN: .-UP

1шт.

22

6745-81-9740

BRACKET,WIRING

SN: .-UP

2шт.

23

6745-81-9750

BRACKET,TUBE

SN: .-UP

1шт.

24

6745-81-9810

BRACKET,WIRING

SN: .-UP

1шт.

25

6745-81-9770

BUSHING,REDUCING PIPING

SN: .-UP

1шт.

26

6745-81-9780

BRACKET,WIRING

SN: .-UP

1шт.

27

6745-81-9790

BRACKET,TUBE

SN: .-UP

1шт.

28

1294 485 H1

BOLT

SN: .-UP

2шт.

29

6732-71-3210

NUT

SN: .-UP

2шт.

|$31

6735-21-1910

PLUG ASS'Y,THREADED

SN: .-UP

1шт.

30

0

PLUG,THREADED

SN: .-UP

1шт.

31

6735-21-1930

O-RING,SEAL

SN: .-UP

1шт.

32

6216-74-6180

BOLT

SN: .-UP

2шт.

33

6754-81-9390

BOLT,WIRE RETAINING

SN: .-UP

1шт.

34

6216-54-7320

BOLT

SN: .-UP

3шт.

35

04434-51010

CLIP

SN: .-UP

1шт.

36

6745-71-5830

COVER,PROTECTIVE

SN: .-UP

1шт.

37

08191-00770

PLUG

SN: .-UP

2шт.

Выбрано товаров: 38