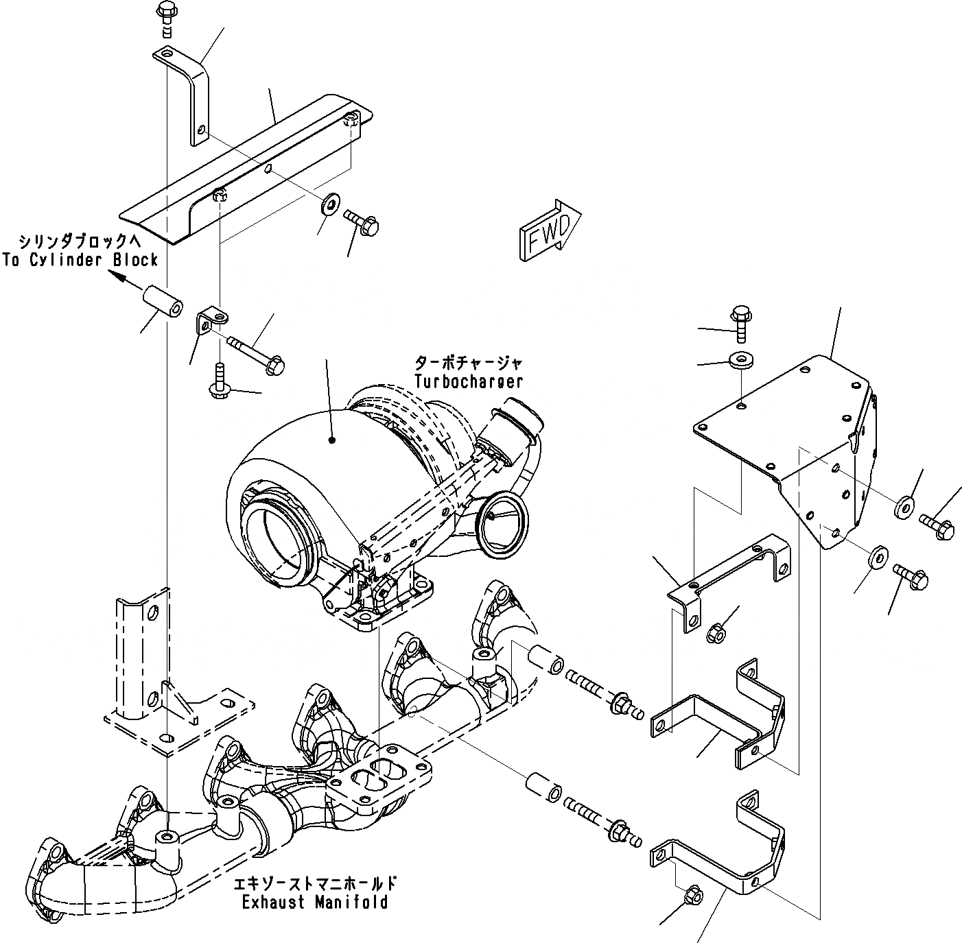
Запчасти Komatsu SAA6D114E-3A ТЕРМОЗАЩИТА ДВИГАТЕЛЬ ГОЛОВКА ЦИЛИНДРОВ И ITS КОМПОНЕНТЫ

Схема запчастей Komatsu SAA6D114E-3A - ТЕРМОЗАЩИТА ДВИГАТЕЛЬ ГОЛОВКА ЦИЛИНДРОВ И ITS КОМПОНЕНТЫ
8
7
6
5
7
6
2
7
4
3
1
4
11
12
10
13
15
16
9
6
14
FIT
1:1
100%

Артикул

Название

Примечание

Количество

1

6745-81-8410

Bracket

SN: 26850008-UP

1шт.

2

6745-81-8420

Bracket

SN: 26850008-UP

1шт.

3

6745-81-8430

Bracket

SN: 26850008-UP

1шт.

4

01581-01008

Nut

SN: 26850008-UP

4шт.

5

6745-81-8440

Cover

SN: 26850008-UP

1шт.

6

01435-00820

Bolt

SN: 26850008-UP

6шт.

7

154-61-16570

Washer

SN: 26850008-UP

6шт.

8

6745-81-8450

Cover

SN: 26850008-UP

1шт.

9

6745-11-5310

Cover

SN: 26850008-UP

1шт.

10

6050-71-5710

Bracket

SN: 26850008-UP

2шт.

11

01435-00816

Bolt

SN: 26850008-UP

2шт.

12

6138-81-8660

Spacer

SN: 26850008-UP

2шт.

13

01435-00855

Bolt

SN: 26850008-UP

2шт.

14

6743-81-8490

Bracket

SN: 26850008-UP

1шт.

15

01435-00820

Bolt

SN: 26850008-UP

1шт.

16

154-61-16570

Washer

SN: 26850008-UP

1шт.

Выбрано товаров: 16