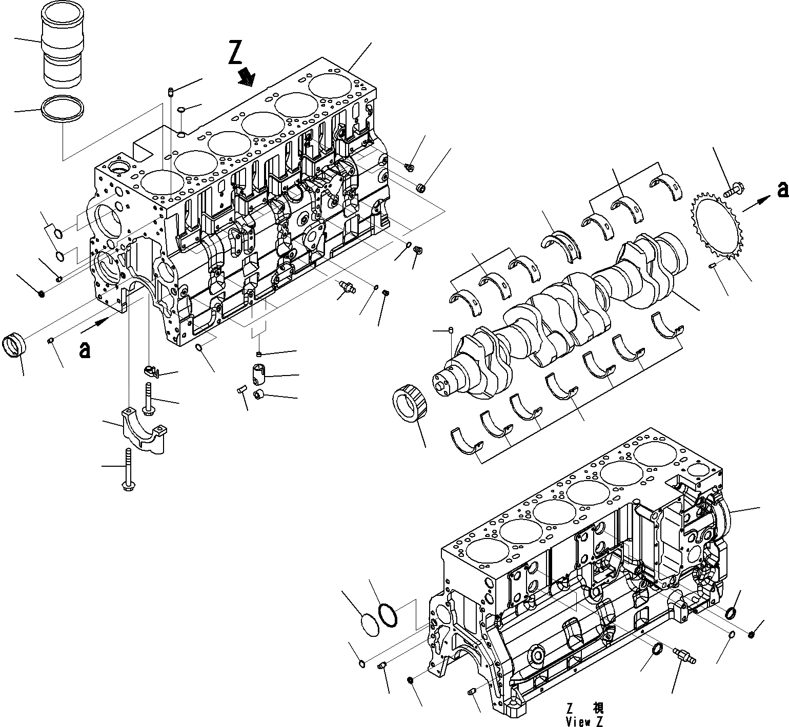
Запчасти Komatsu SAA6D114E-3A БЛОК ЦИЛИНДРОВ ДВИГАТЕЛЬ БЛОК ЦИЛИНДРОВ И ITS КОМПОНЕНТЫ

Схема запчастей Komatsu SAA6D114E-3A - БЛОК ЦИЛИНДРОВ ДВИГАТЕЛЬ БЛОК ЦИЛИНДРОВ И ITS КОМПОНЕНТЫ
36
35
34
33
31
30
29
28
26
25
24
23
16
15
10
9
7
6
5
4
3
2
1
37
30
6
31
32
30
37
32
27
11
8
30
31
7
7
22
17
18
19
20
21
14
13
12
13
FIT
1:1
100%

Артикул

Название

Примечание

Количество

1

6732-11-1910

Plug

SN: 26850008-UP

1шт.

|2

6735-21-1910

Plug Assembly

SN: 26850008-UP

1шт.

2

6735-21-1920

Plug

SN: 26850008-UP

1шт.

3

6735-21-1930

O-ring

SN: 26850008-UP

1шт.

|3

6732-21-1960

Plug Assembly

SN: 26850008-UP

6шт.

4

6215-81-9510

Plug

SN: 26850008-UP

1шт.

5

6215-81-9710

O-ring

SN: 26850008-UP

1шт.

6

6732-21-6120

Pin, Dowel

SN: 26850008-UP

2шт.

7

6742-01-1470

Pin

SN: 26850008-UP

4шт.

8

6742-01-1480

Plug

SN: 26850008-UP

1шт.

9

6742-01-1520

Seal

SN: 26850008-UP

6шт.

10

6736-11-4460

Bolt

SN: 26850008-UP

6шт.

11

6742-01-4080

O-ring

SN: 26850008-UP

1шт.

12

Metal

SN: 26850008-UP

7шт.

13

Metal, T=0.7mm

SN: 26850008-UP

6шт.

14

Metal

SN: 26850008-UP

1шт.

15

Liner, Cylinder

SN: 26850008-UP

6шт.

16

6745-21-1610

Nozzle, Cooling

SN: 26850008-UP

6шт.

|17

6745-21-1100

Crankshaft Assembly

SN: 26850008-UP

1шт.

17

6732-21-6150

Pin, Dowel

SN: 26850008-UP

1шт.

18

6742-01-1590

Gear

SN: 26850008-UP

1шт.

|18

6745-31-1110

Crankshaft Assembly

SN: 26850008-UP

1шт.

19

6744-71-1020

Pin, Dowel

SN: 26850008-UP

1шт.

20

6745-31-1130

Bolt

SN: 26850008-UP

4шт.

21

6745-31-1140

Crankshaft

SN: 26850008-UP

1шт.

22

6745-31-1150

Ring

SN: 26850008-UP

1шт.

|22

6745-41-2100

Tappet Assembly

SN: 26850008-UP

12шт.

23

Socket

SN: 26850008-UP

1шт.

24

Roller

SN: 26850008-UP

1шт.

25

Tappet

SN: 26850008-UP

1шт.

26

Pin

SN: 26850008-UP

1шт.

27

6745-21-1910

Bolt

SN: 26850008-UP

1шт.

28

6745-21-1920

Bolt

SN: 26850008-UP

1шт.

|28

397-13-91

Block Assembly, Cylinder

SN: 26850008-UP

1шт.

29

6742-01-1360

Plug

SN: 26850008-UP

3шт.

30

6742-01-1370

Plug

SN: 26850008-UP

4шт.

31

6732-21-1810

Plug

SN: 26850008-UP

3шт.

32

6742-01-1420

Plug

SN: 26850008-UP

4шт.

33

6742-01-5160

Bushing

SN: 26850008-UP

7шт.

34

6741-21-1140

Bolt

SN: 26850008-UP

14шт.

35

6741-21-1130

Cap, Main Metal

SN: 26850008-UP

7шт.

36

6745-41-2150

Guide, Tappet

SN: 26850008-UP

12шт.

37

6745-21-1110

Block, Cylinder

SN: 26850008-UP

1шт.

Выбрано товаров: 43