Запчасти Komatsu SAA6D114E-3A-WT ЭЛЕКТРОНН. КОНТРОЛЛЕР(№8-87) ДВИГАТЕЛЬ

Схема запчастей Komatsu SAA6D114E-3A-WT - ЭЛЕКТРОНН. КОНТРОЛЛЕР(№8-87) ДВИГАТЕЛЬ
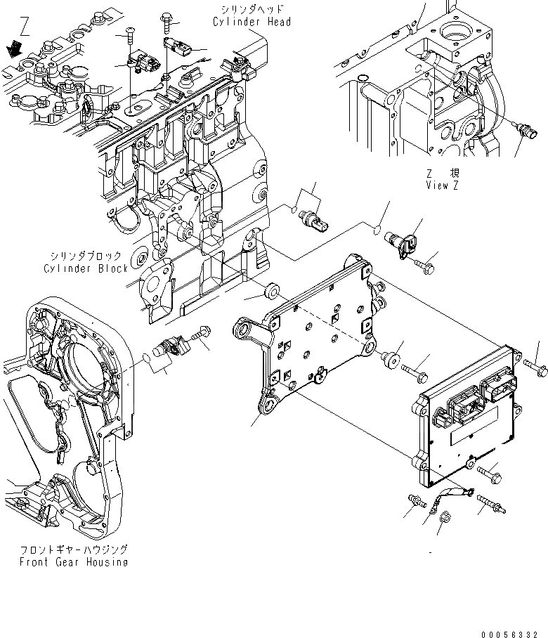
1
2
2
3
4
5
6
7
7
8
9
10
11
12
13
14
15
16
17
18
19
20
FIT
1:1
100%

Артикул

Название

Примечание

Количество

1

6754-81-9200

SENSOR ASS'Y

SN: 26850001-26850007

1шт.

2

6261-81-2900

SENSOR ASS'Y,POSITION

SN: 26850001-26850007

1шт.

2

6261-81-2910

SENSOR,POSITION

SN: 26850001-26850007

1шт.

3

6261-81-2920

O-RING

SN: 26850001-26850007

1шт.

4

6745-81-9440

BOLT

SN: 26850001-26850007

1шт.

5

6732-71-3210

NUT

SN: 26850001-26850007

1шт.

6

6732-71-3220

BOLT

SN: 26850001-26850007

1шт.

7

6732-61-3110

BOLT

SN: 26850001-26850007

2шт.

8

6735-61-2120

BOLT

SN: 26850001-26850007

4шт.

9

6732-21-4180

BOLT

SN: 26850001-26850007

1шт.

10

6734-71-5520

BOLT

SN: 26850001-26850007

1шт.

11

6745-81-9560

SCREW

SN: 26850001-26850007

3шт.

12

6745-81-9570

WIRE

SN: 26850001-26850007

1шт.

13

6754-81-9110

ISOLATOR,VIBRATION

SN: 26850001-26850007

4шт.

14

6754-81-9130

ISOLATOR,VIBRATION

SN: 26850001-26850007

4шт.

15

6754-81-9180

SCREW

SN: 26850001-26850007

1шт.

16

6745-81-9510

COOLER,ELECTRONIC CONTROL

SN: 26850001-26850007

1шт.

17

6261-81-1900

SENSOR,PRESSURE

SN: 26850001-26850007

1шт.

18

6744-81-4010

SWITCH,PRESSURE

SN: 26850001-26850007

1шт.

19

6261-81-6900

SENSOR,TEMPERATURE

SN: 26850001-26850007

1шт.

20

6754-81-2700

SENSOR ASS'Y,PRS TEMPERATURE

SN: 26850001-26850007

1шт.

Выбрано товаров: 21