Запчасти Komatsu SAA6D114E-3A-WT ЭЛЕКТРОНН. КОНТРОЛЛЕР(№88-) ДВИГАТЕЛЬ

Схема запчастей Komatsu SAA6D114E-3A-WT - ЭЛЕКТРОНН. КОНТРОЛЛЕР(№88-) ДВИГАТЕЛЬ
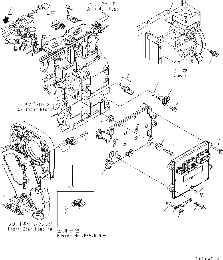
1
1
2
3
4
5
6
7
8
8
9
10
11
12
13
14
15
16
17
18
19
20
21
FIT
1:1
100%

Артикул

Название

Примечание

Количество

|1

6271-81-9200

SENSOR

SN: 26852669-UP

1шт.

|1

0

SENSOR ASS'Y

SN: 26850008-26852668

1шт.

1

6754-81-9410

SENSOR ASS'Y,POSITION

SN: 26852669-UP

1шт.

2

6271-81-9220

O-RING

SN: 26852669-UP

1шт.

|3

6261-81-2901

SENSOR ASS'Y,POSITION

SN: 26850166-UP

1шт.

|3

0

SENSOR ASS'Y,POSITION

SN: 26850008-26850165

1шт.

3

6261-81-2911

SENSOR,POSITION

SN: 26850166-UP

1шт.

|3

0

SENSOR,POSITION

SN: 26850008-26850165

1шт.

4

6271-81-9220

O-RING

SN: 26850166-UP

1шт.

|4

0

O-RING

SN: 26850008-26850165

1шт.

5

6745-81-9440

BOLT

SN: 26850008-UP

1шт.

6

6732-71-3210

NUT

SN: 26850008-UP

1шт.

7

6732-71-3220

BOLT

SN: 26850008-UP

1шт.

8

6732-61-3110

BOLT

SN: 26850008-UP

2шт.

9

6735-61-2120

BOLT

SN: 26850008-UP

4шт.

10

6732-21-4180

BOLT

SN: 26850008-UP

1шт.

11

6734-71-5520

BOLT

SN: 26850008-UP

1шт.

12

6745-81-9560

SCREW

SN: 26850008-UP

3шт.

13

6745-81-9570

WIRE

SN: 26850008-UP

1шт.

14

6754-81-9110

ISOLATOR,VIBRATION

SN: 26850008-UP

4шт.

15

6754-81-9130

ISOLATOR,VIBRATION

SN: 26850008-UP

4шт.

16

6754-81-9180

SCREW

SN: 26850008-UP

1шт.

17

6745-81-9510

COOLER,ELECTRIC CONTROL

SN: 26850008-UP

1шт.

18

6261-81-1900

SENSOR,PRESSURE

SN: 26850008-UP

1шт.

19

6744-81-4010

SWITCH,PRESSURE

SN: 26850008-UP

1шт.

20

6261-81-6900

SENSOR,TEMPERATURE

SN: 26850008-UP

1шт.

21

6754-81-2701

SENSOR ASS'Y,PRS TEMPERATURE

SN: 26851859-UP

1шт.

|21

0

SENSOR ASS'Y,PRS TEMPERATURE

SN: 26850008-26851858

1шт.

Выбрано товаров: 28