Запчасти Komatsu SAA6D114E-3B-A САПУН И ШЛАНГИ ДВИГАТЕЛЬ

Схема запчастей Komatsu SAA6D114E-3B-A - САПУН И ШЛАНГИ ДВИГАТЕЛЬ
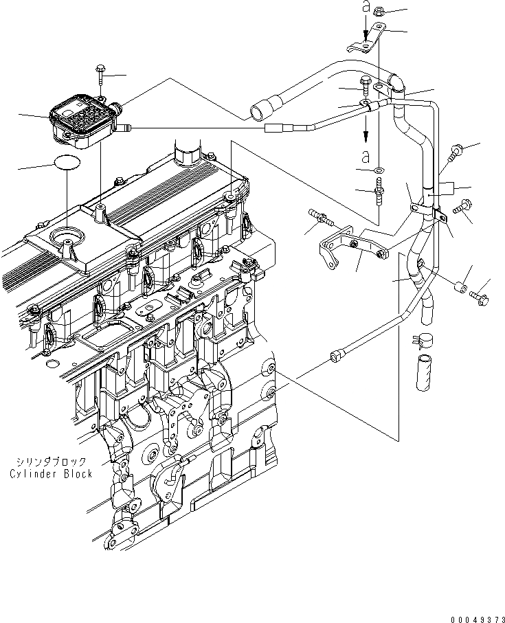
1
2
3
4
5
6
7
8
9
10
11
12
13
14
15
16
16
17
18
19
FIT
1:1
100%

Артикул

Название

Примечание

Количество

|1

6745-21-7110

HOUSING ASS'Y

SN: 26850005-UP

1шт.

1

6745-21-7120

O-RING

SN: 26850005-UP

1шт.

2

6745-21-7130

HOUSING

SN: 26850005-UP

1шт.

3

6735-71-5190

BOLT

SN: 26850005-UP

2шт.

4

6745-21-7140

TUBE

SN: 26850005-UP

1шт.

5

6216-81-4860

CLIP

SN: 26850005-UP

1шт.

6

6732-71-3210

NUT

SN: 26850005-UP

1шт.

7

6745-11-8210

BRACKET

SN: 26850005-UP

1шт.

8

04434-51008

CLIP

SN: 26850005-UP

1шт.

9

6731-71-6270

SCREW

SN: 26850005-UP

1шт.

10

6216-24-5730

CLIP

SN: 26850005-UP

1шт.

11

6152-11-4970

SPACER

SN: 26850005-UP

1шт.

12

6732-61-6140

BOLT

SN: 26850005-UP

1шт.

13

01643-30823

WASHER

SN: 26850005-UP

1шт.

14

04434-51908

CLIP

SN: 26850005-UP

1шт.

15

04434-51008

CLIP

SN: 26850005-UP

1шт.

16

6732-71-3220

BOLT

SN: 26850005-UP

2шт.

17

6745-11-8230

BRACE

SN: 26850299-UP

1шт.

18

6745-11-8240

BOLT

SN: 26850299-UP

1шт.

19

6745-11-8170

SCREW

SN: 26850299-UP

1шт.

Выбрано товаров: 20