Качественные детали и логистика
Оригинальные и аналоговые запчасти с доставкой по России, Казахстану и Беларуси
©2022 PartSell ООО "Система" ИНН 2463123282 ОГРН 1212400004838
Центральный офис: г. Красноярск, Академика Киренского, д.87, пом.4
Телефон: 8 (800) 777-65-74 Email: zakaz@partsell.ru
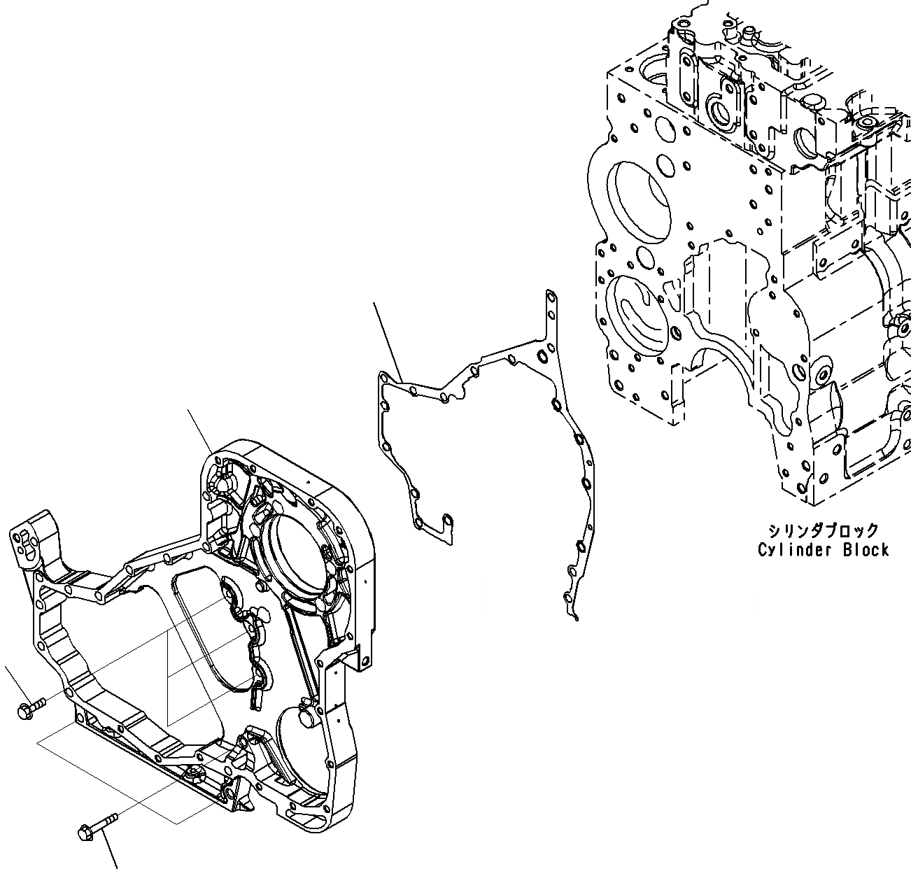
ПЕРЕДН. ЗУБЧАТ. ПЕРЕДАЧА КОРПУС(№8-)
№
Артикул
Название
Примечание
Количество
1
6745-21-3110
Housing
SN: 26850005-UP
1шт.
2
6742-01-0540
Bolt
3шт.
3
6741-21-3820
4
6741-21-3810
Gasket
Выбрано товаров: 0