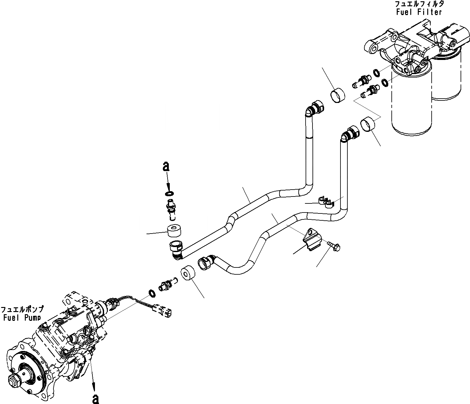
Запчасти Komatsu SAA6D114E-3B ТОПЛИВОПРОВОД.(№8-) ДВИГАТЕЛЬ ТОПЛИВН. СИСТЕМА

Схема запчастей Komatsu SAA6D114E-3B - ТОПЛИВОПРОВОД.(№8-) ДВИГАТЕЛЬ ТОПЛИВН. СИСТЕМА
6
5
4
3
2
1
6
6
6
FIT
1:1
100%

Артикул

Название

Примечание

Количество

1

6745-71-5110

Tube

SN: 26850005-UP

1шт.

2

6745-71-5120

Tube

SN: 26850005-UP

1шт.

3

6745-71-5210

Brace

SN: 26850005-UP

1шт.

4

6736-21-5310

Bolt

SN: 26850005-UP

1шт.

5

6745-71-5220

Clamp

SN: 26850005-UP

1шт.

6

493-12-78

Cover

SN: 26850005-UP

4шт.

Выбрано товаров: 0