Качественные детали и логистика
Оригинальные и аналоговые запчасти с доставкой по России, Казахстану и Беларуси
©2022 PartSell ООО "Система" ИНН 2463123282 ОГРН 1212400004838
Центральный офис: г. Красноярск, Академика Киренского, д.87, пом.4
Телефон: 8 (800) 777-65-74 Email: zakaz@partsell.ru
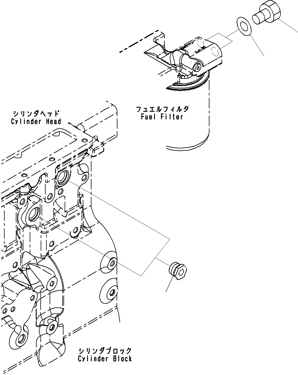
ЗАГЛУШКА, ДЛЯ ДВИГАТЕЛЬ БЕЗ АНТИКОРРОЗ. ЭЛЕМЕНТА(№8-)
№
Артикул
Название
Примечание
Количество
1
6732-11-1910
Plug
SN: 26850005-UP
2шт.
2
07005-01412
Gasket
3
07040-11409
Выбрано товаров: 0