Запчасти Komatsu SAA6D114E-3C КАБИНА ОБОГРЕВАТЕЛЬ. ЗАГЛУШКА (№879-) КАБИНА ОБОГРЕВАТЕЛЬ. ЗАГЛУШКА

Схема запчастей Komatsu SAA6D114E-3C - КАБИНА ОБОГРЕВАТЕЛЬ. ЗАГЛУШКА (№879-) КАБИНА ОБОГРЕВАТЕЛЬ. ЗАГЛУШКА
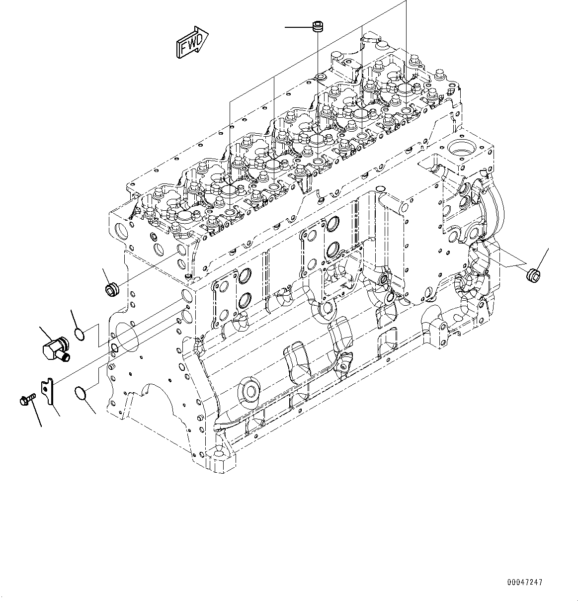
4
2
6
1
5
7
3
4
4
2
6
1
5
7
3
4
FIT
1:1
100%

Артикул

Название

Примечание

Количество

1

1241155H1

O-ring

SN: 26856759-UP

1шт.

2

6742-01-1380

Plug

SN: 26856759-UP

1шт.

3

6732-11-1910

Plug

SN: 26856759-UP

5шт.

4

6732-11-1920

Plug

SN: 26856759-UP

3шт.

5

1294859H1

Plate

SN: 26856759-UP

1шт.

6

6741-61-7110

Connector

SN: 26856759-UP

1шт.

7

01435-60816

Bolt

SN: 26862949-UP

1шт.

7

6736-21-5310

Bolt

SN: 26856759-26862948

1шт.

1

1241155H1

O-ring

SN: 26856759-UP

1шт.

2

6742-01-1380

Plug

SN: 26856759-UP

1шт.

3

6732-11-1910

Plug

SN: 26856759-UP

5шт.

4

6732-11-1920

Plug

SN: 26856759-UP

3шт.

5

1294859H1

Plate

SN: 26856759-UP

1шт.

6

6741-61-7110

Connector

SN: 26856759-UP

1шт.

7

01435-60816

Bolt

SN: 26862949-UP

1шт.

7

6736-21-5310

Bolt

SN: 26856759-26862948

1шт.

Выбрано товаров: 16