Запчасти Komatsu SAA6D114E-3C АНТИКОРРОЗ. ЭЛЕМЕНТ ТРУБЫ ДВИГАТЕЛЬ

Схема запчастей Komatsu SAA6D114E-3C - АНТИКОРРОЗ. ЭЛЕМЕНТ ТРУБЫ ДВИГАТЕЛЬ
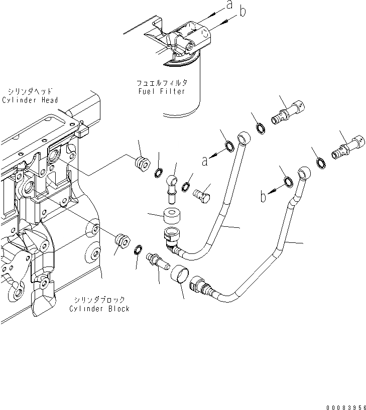
1
1
2
3
3
3
3
4
4
4
5
6
7
8
9
9
10
10
FIT
1:1
100%

Артикул

Название

Примечание

Количество

1

6745-61-8110

UNION,REDUCING PIPE

SN: .-UP

2шт.

2

6732-71-6510

BOLT,BANJO CONNECTOR

SN: .-UP

1шт.

3

6731-74-5910

WASHER,SEALING

SN: .-UP

4шт.

4

6745-71-1130

WASHER,SEALING

SN: .-UP

3шт.

5

6745-71-6130

CONNECTOR,ADAPTER

SN: .-UP

1шт.

6

6745-61-8120

CONNECTOR,BANJO

SN: .-UP

1шт.

7

6745-61-8130

TUBE,WATER INLET

SN: .-UP

1шт.

8

6745-61-8140

TUBE,WATER OUTLET

SN: .-UP

1шт.

9

6745-61-8150

VALVE,SHUT OFF

SN: .-UP

2шт.

10

6745-71-5160

COVER,PROTECTIVE

SN: .-UP

2шт.

Выбрано товаров: 10