Запчасти Komatsu SAA6D114E-3C ВЫПУСКНОЙ КОЛЛЕКТОР ДВИГАТЕЛЬ

Схема запчастей Komatsu SAA6D114E-3C - ВЫПУСКНОЙ КОЛЛЕКТОР ДВИГАТЕЛЬ
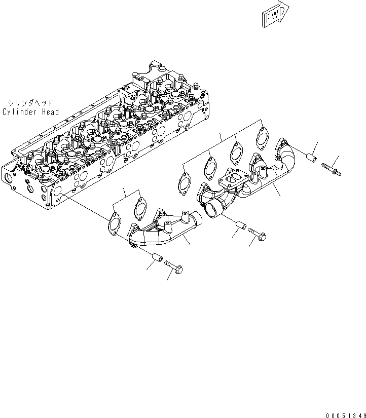
1
2
3
4
5
6
7
8
9
9
FIT
1:1
100%

Артикул

Название

Примечание

Количество

1

6745-11-5110

MANIFOLD,EXHAUST

SN: .-UP

1шт.

2

6745-11-5810

GASKET,EXHAUST MANIFOLD

SN: .-UP

2шт.

3

6732-11-5860

BOLT

SN: .-UP

4шт.

4

6754-11-5150

SPACER,MOUNTING

SN: .-UP

4шт.

5

6745-11-5210

MANIFOLD,EXHAUST

SN: .-UP

1шт.

6

6745-11-5810

GASKET

SN: .-UP

4шт.

7

6732-11-5860

BOLT

SN: .-UP

4шт.

8

6745-11-5170

BOLT

SN: .-UP

4шт.

9

6754-11-5150

SPACER,MOUNTING

SN: .-UP

8шт.

Выбрано товаров: 9