Качественные детали и логистика
Оригинальные и аналоговые запчасти с доставкой по России, Казахстану и Беларуси
©2022 PartSell ООО "Система" ИНН 2463123282 ОГРН 1212400004838
Центральный офис: г. Красноярск, Академика Киренского, д.87, пом.4
Телефон: 8 (800) 777-65-74 Email: zakaz@partsell.ru
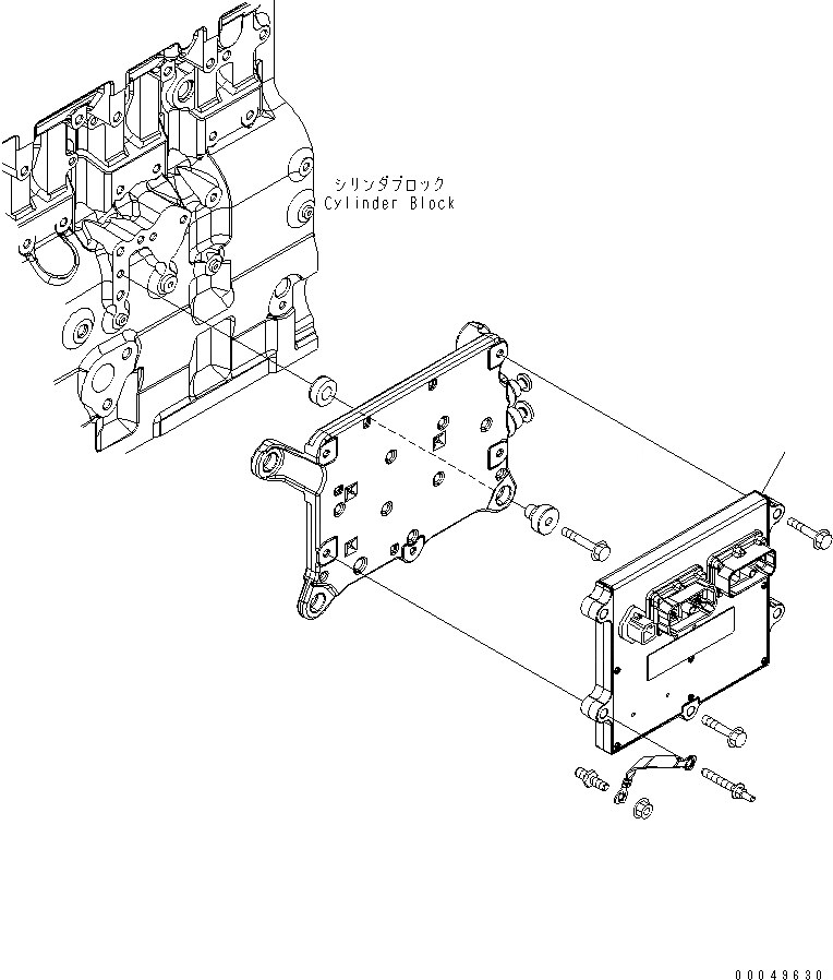
ЭЛЕКТРОНН. КОНТРОЛЛЕР(№887-)
№
Артикул
Название
Примечание
Количество
1
600-468-1300
CONTROLLER ASS'Y
SN: 26850587-UP
1шт.
Выбрано товаров: 0