Запчасти Komatsu SAA6D114E-3D ПЕРЕДН. COVER AA ДВИГАТЕЛЬ

Схема запчастей Komatsu SAA6D114E-3D - ПЕРЕДН. COVER AA ДВИГАТЕЛЬ
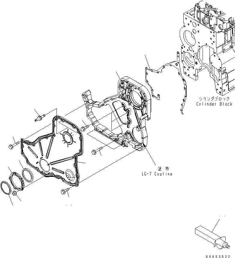
1
2
3
4
6
7
8
9
10
11
12
13
14
FIT
1:1
100%

Артикул

Название

Примечание

Количество

1

6745-21-3110

HOUSING

SN: 21744201-UP

1шт.

2

6742-01-0540

BOLT

SN: 21744201-UP

3шт.

3

6741-21-3820

BOLT

SN: 21744201-UP

3шт.

4

6741-21-3810

GASKET

SN: 21744201-UP

1шт.

5

6742-01-0550

SEAL KIT

SN: 21744201-UP

1шт.

5

6742-01-5542

TOOL, (NOT SHOWN)

SN: 21744201-UP

1шт.

6

6742-01-0950

SEAL

SN: 21744201-UP

1шт.

7

6741-21-3540

NUT

SN: 21744201-UP

5шт.

8

6741-21-3530

CARRIER

SN: 21744201-UP

1шт.

9

6745-21-3210

COVER

SN: 21744201-UP

1шт.

10

6736-21-5310

BOLT

SN: 21744201-UP

13шт.

11

6742-01-0530

BOLT

SN: 21744201-UP

11шт.

12

6735-21-7240

BOLT

SN: 21744201-UP

2шт.

13

6742-01-3320

SEAL

SN: 21744201-UP

1шт.

14

09920-00150

LIQUID GASKET

SN: 21744201-UP

-26шт.

Выбрано товаров: 15