Запчасти Komatsu SAA6D114E-3D КОЛЕНВАЛ ДВИГАТЕЛЬ

Схема запчастей Komatsu SAA6D114E-3D - КОЛЕНВАЛ ДВИГАТЕЛЬ
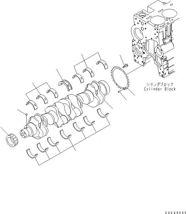
1
2
3
4
5
6
7
7
8
9
FIT
1:1
100%

Артикул

Название

Примечание

Количество

|$1

6745-31-1120

CRANKSHAFT ASS'Y

SN: 26850001-UP

1шт.

1

0

PIN,DOWEL

SN: 26850001-UP

1шт.

2

0

GEAR

SN: 26850001-UP

1шт.

|$4

0

CRANKSHAFT ASS'Y

SN: 26850001-UP

1шт.

3

0

PIN,DOWEL

SN: 26850001-UP

1шт.

4

0

BOLT

SN: 26850001-UP

4шт.

5

0

CRANKSHAFT

SN: 26850001-UP

1шт.

6

0

RING

SN: 26850001-UP

1шт.

|$9

6742-01-5199

MAIN METAL ASS'Y

SN: 26850001-UP

1шт.

7

0

METAL

SN: 26850001-UP

6шт.

8

0

METAL

SN: 26850001-UP

1шт.

9

0

METAL

SN: 26850001-UP

7шт.

|$13

6742-21-8500

METAL SET

SN: 26850001-UP

1шт.

|$14

0

METAL

SN: 26850001-UP

1шт.

|$15

0

METAL

SN: 26850001-UP

1шт.

Выбрано товаров: 15