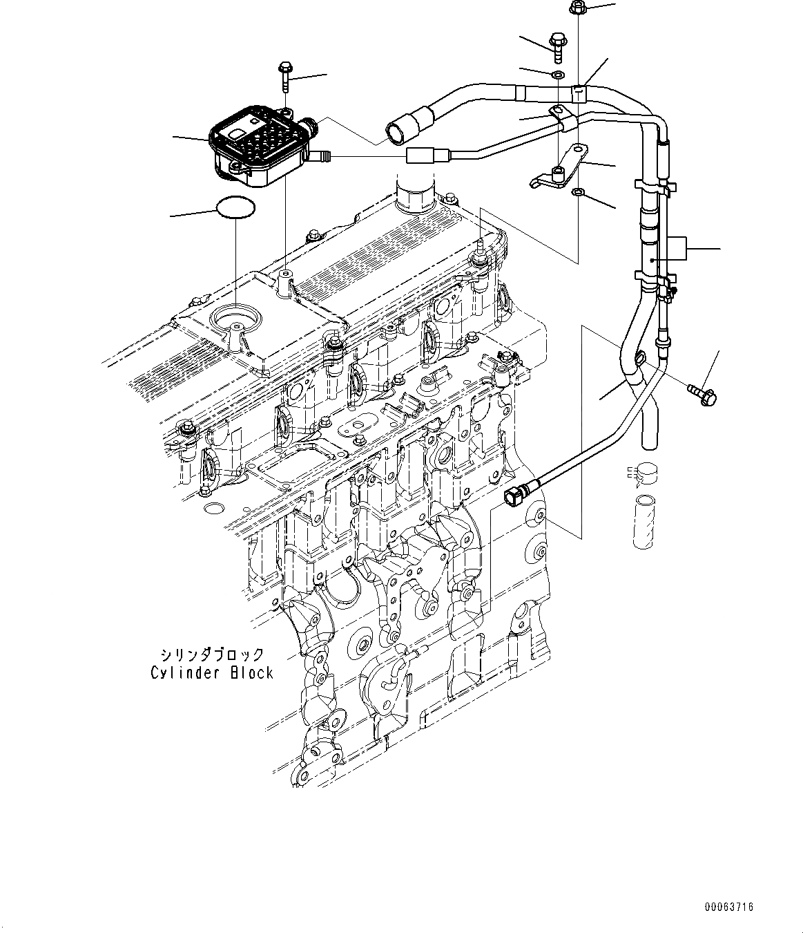
Запчасти Komatsu SAA6D114E-3D САПУН (№877-) САПУН

Схема запчастей Komatsu SAA6D114E-3D - САПУН (№877-) САПУН
6
11
4
6
7
10
9
5
9
8
2
1
3
FIT
1:1
100%

Артикул

Название

Примечание

Количество

|$0

6745-21-7110

Housing Assembly

SN: 26852077-UP

1шт.

1

6745-21-7120

O-ring

SN: 26852077-UP

1шт.

2

Housing

SN: 26852077-UP

1шт.

3

6735-71-5190

Bolt

SN: 26852077-UP

2шт.

4

6745-21-7181

Tube

SN: 26859418-UP

1шт.

4

6745-21-7180

Tube

SN: 26852077-26859417

1шт.

5

6745-11-8250

Brace

SN: 26852077-UP

1шт.

6

6216-24-5730

Clip

SN: 26852077-UP

2шт.

7

04434-51008

Clip

SN: 26852077-UP

1шт.

8

6732-71-3210

Nut

SN: 26852077-UP

1шт.

9

01643-30823

Washer

SN: 26852077-UP

2шт.

10

6731-71-6270

Screw

SN: 26852077-UP

1шт.

11

01435-60816

Bolt

SN: 26862938-UP

1шт.

11

6736-21-5310

Bolt

SN: 26852077-26862937

1шт.

Выбрано товаров: 14