Запчасти Komatsu SAA6D114E-3D ТОПЛИВН. ФИЛЬТР. (№877-897) ТОПЛИВН. ФИЛЬТР., С ДОПОЛН. ТОПЛИВН. ФИЛЬТР.

Схема запчастей Komatsu SAA6D114E-3D - ТОПЛИВН. ФИЛЬТР. (№877-897) ТОПЛИВН. ФИЛЬТР., С ДОПОЛН. ТОПЛИВН. ФИЛЬТР.
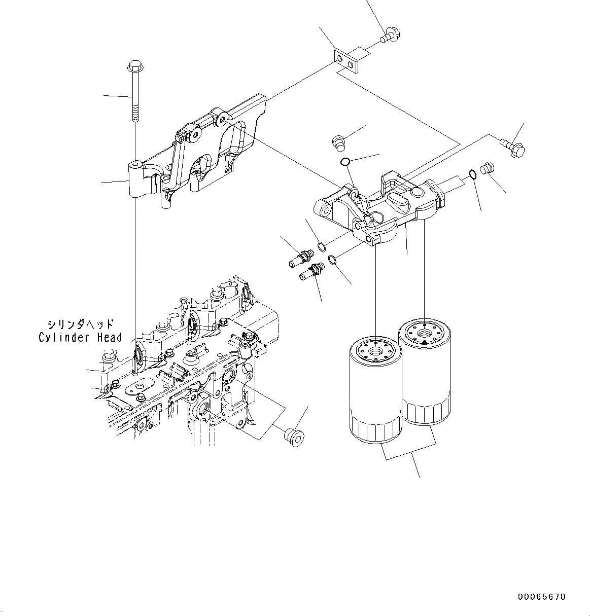
12
1
2
3
4
5
6
7
9
10
11
3
4
5
6
8
FIT
1:1
100%

Артикул

Название

Примечание

Количество

1

6745-71-6240

Support

SN: 26852077-26859272

1шт.

2

6732-11-4150

Bolt

SN: 26852077-26859272

5шт.

2

6735-21-1910

Plug Assembly

SN: 26852077-26859272

3шт.

3

6735-21-1920

Plug

SN: 26852077-26859272

1шт.

4

6735-21-1930

O-ring

SN: 26852077-26859272

1шт.

5

6745-71-1130

Seal, Washer

SN: 26852077-26859272

2шт.

6

6745-71-6130

Connector

SN: 26852077-26859272

2шт.

7

6745-71-6180

Head

SN: 26852077-26859272

1шт.

8

Cartridge, Fuel Filter

SN: 26852990-26859272

2шт.

8

Cartridge, Fuel Filter

SN: 26852077-26852989

2шт.

9

6732-22-3110

Bolt

SN: 26852077-26859272

2шт.

10

6731-61-4250

Bolt

SN: 26852077-26859272

2шт.

11

6745-71-6230

Brace

SN: 26852077-26859272

1шт.

12

6732-11-1910

Plug

SN: 26852077-26859272

2шт.

Выбрано товаров: 14