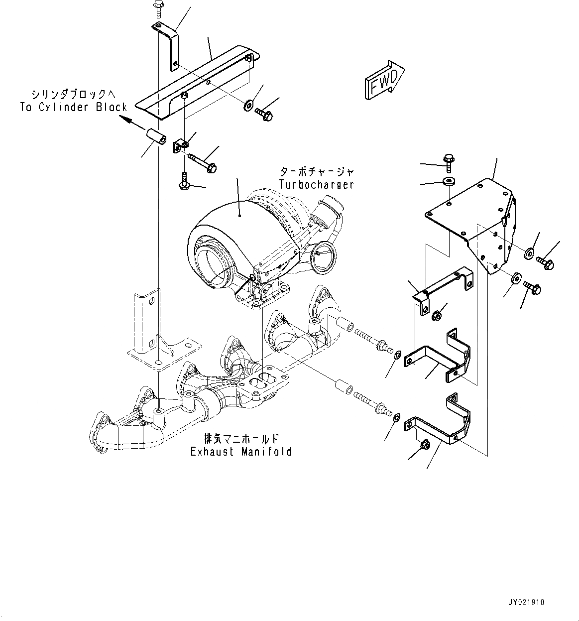
Запчасти Komatsu SAA6D114E-3D ТЕРМОЗАЩИТА (№877-) ТЕРМОЗАЩИТА

Схема запчастей Komatsu SAA6D114E-3D - ТЕРМОЗАЩИТА (№877-) ТЕРМОЗАЩИТА
7
6
5
7
6
2
7
4
3
1
4
12
13
11
14
16
17
10
6
15
8
8
9
FIT
1:1
100%

Артикул

Название

Примечание

Количество

1

6745-81-8410

Bracket

SN: 26852077-UP

1шт.

2

6745-81-8420

Bracket

SN: 26852077-UP

1шт.

3

6745-81-8430

Bracket

SN: 26852077-UP

1шт.

4

01581-01008

Nut

SN: 26852077-UP

4шт.

5

6745-81-8440

Cover

SN: 26852077-UP

1шт.

6

01435-00820

Bolt

SN: 26852077-UP

6шт.

7

154-61-16570

Washer

SN: 26852077-UP

6шт.

8

01643-31032

Washer

SN: 26852077-UP

4шт.

9

6745-81-8451

Cover

SN: 26852077-UP

1шт.

10

6745-11-5310

Cover

SN: 26852077-UP

1шт.

11

6050-71-5710

Bracket

SN: 26852077-UP

2шт.

12

01435-00816

Bolt

SN: 26852077-UP

2шт.

13

6138-81-8660

Spacer

SN: 26852077-UP

2шт.

14

01435-00855

Bolt

SN: 26852077-UP

2шт.

15

6743-81-8490

Bracket

SN: 26852077-UP

1шт.

16

01435-00820

Bolt

SN: 26852077-UP

1шт.

17

154-61-16570

Washer

SN: 26852077-UP

1шт.

Выбрано товаров: 17