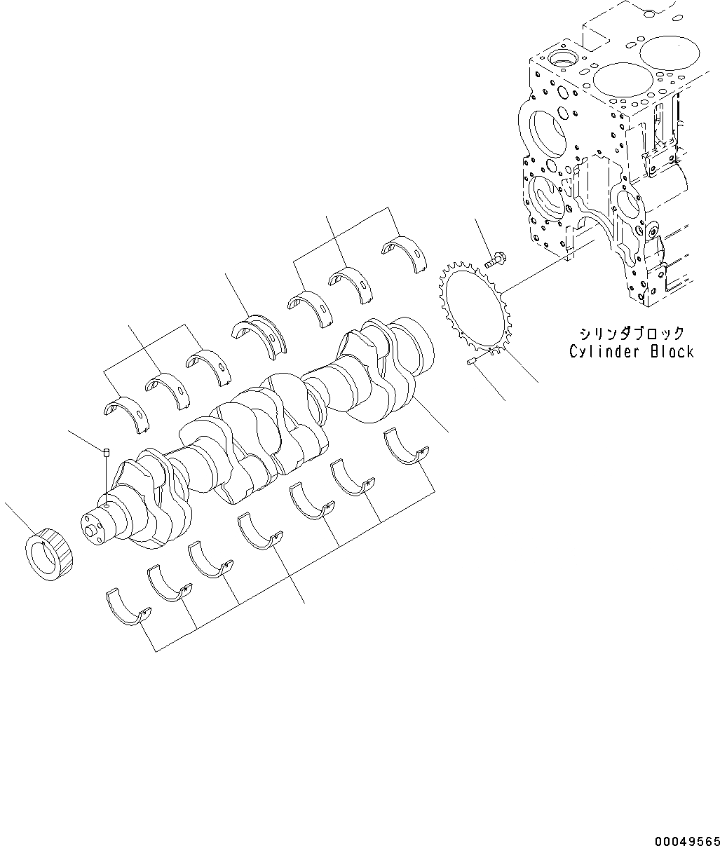
Запчасти Komatsu SAA6D114E-3D КОЛЕНВАЛ КОЛЕНВАЛ

Схема запчастей Komatsu SAA6D114E-3D - КОЛЕНВАЛ КОЛЕНВАЛ
4
7
8
7
1
2
9
5
3
6
FIT
1:1
100%

Артикул

Название

Примечание

Количество

|1

6745-31-1120

Crankshaft

SN: 26852077-UP

1шт.

1

Pin, Dowel

SN: 26852077-UP

1шт.

2

Gear

SN: 26852077-UP

1шт.

2

Crankshaft Assembly

SN: 26852077-UP

1шт.

3

Pin, Dowel

SN: 26852077-UP

1шт.

4

Bolt

SN: 26852077-UP

4шт.

5

Crankshaft

SN: 26852077-UP

1шт.

6

Ring

SN: 26852077-UP

1шт.

|7

6742-01-5199

Main Metal Assembly

SN: 26852077-UP

1шт.

7

Metal

SN: 26852077-UP

6шт.

8

Metal

SN: 26852077-UP

1шт.

9

Metal

SN: 26852077-UP

7шт.

|9

6742-21-8500

Thrust Metal Assembly

SN: 26852077-UP

1шт.

9

Metal

SN: 26852077-UP

1шт.

9

Metal

SN: 26852077-UP

1шт.

Выбрано товаров: 15