Запчасти Komatsu SAA6D114E-3F ВЫПУСКН. ГЛУШИТЕЛЬ (№87-) ВЫПУСКН. ГЛУШИТЕЛЬ

Схема запчастей Komatsu SAA6D114E-3F - ВЫПУСКН. ГЛУШИТЕЛЬ (№87-) ВЫПУСКН. ГЛУШИТЕЛЬ
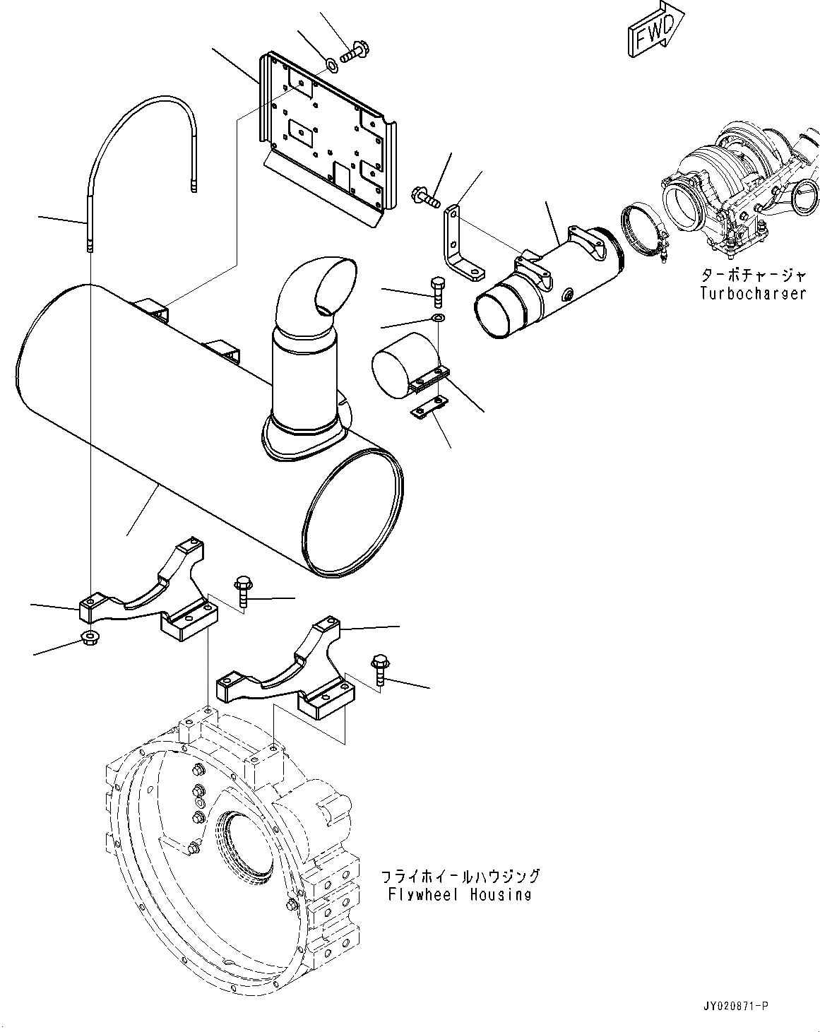
15
14
13
3
4
10
9
8
6
2
5
11
7
12
11
12
1
FIT
1:1
100%

Артикул

Название

Примечание

Количество

1

6745-11-6510

Muffler

SN: 26866736-UP

1шт.

2

6743-11-5230

Clamp

SN: 26866736-UP

1шт.

3

01010-E1235

Bolt

SN: 26866736-UP

2шт.

4

01643-31232

Washer

SN: 26866736-UP

2шт.

5

6208-11-5850

Plate

SN: 26866736-UP

1шт.

6

6222-11-5940

U-bolt

SN: 26866736-UP

2шт.

7

01594-01008

Nut

SN: 26866736-UP

4шт.

8

6745-11-6240

Cover

SN: 26866736-UP

1шт.

9

01435-00820

Bolt

SN: 26866736-UP

4шт.

10

154-61-16570

Washer

SN: 26866736-UP

4шт.

11

6745-11-6180

Bracket

SN: 26866736-UP

2шт.

12

01435-01245

Bolt

SN: 26866736-UP

4шт.

13

6745-11-6520

Connector

SN: 26866736-UP

1шт.

14

6745-11-6260

Bracket

SN: 26866736-UP

1шт.

15

01435-01025

Bolt

SN: 26866736-UP

3шт.

Выбрано товаров: 15