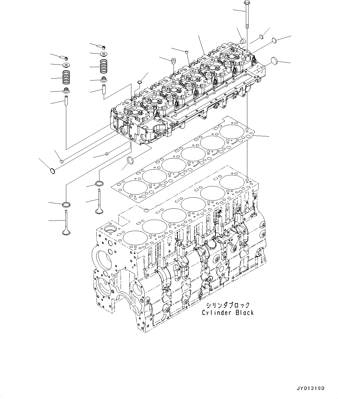
Запчасти Komatsu SAA6D114E-3F ГОЛОВКА ЦИЛИНДРОВ (№87-) ГОЛОВКА ЦИЛИНДРОВ

Схема запчастей Komatsu SAA6D114E-3F - ГОЛОВКА ЦИЛИНДРОВ (№87-) ГОЛОВКА ЦИЛИНДРОВ
13
3
14
9
6
20
1
5
7
18
17
16
15
4
18
15
17
16
4
2
11
8
10
19
12
2
1
6
FIT
1:1
100%

Артикул

Название

Примечание

Количество

|$0

6745-11-1190

Head Assembly

SN: 26866736-UP

1шт.

|$1

6745-11-1123

Head Assembly,Cylinder

SN: 26866736-UP

1шт.

1

6742-01-2920

Plug

SN: 26866736-UP

2шт.

2

6735-21-5531

Plug, Expansion

SN: 26866736-UP

18шт.

3

6745-19-4210

Insert,Intake Valve,Standerd

SN: 26866736-UP

12шт.

3

6745-18-4210

Insert,Intake Valve,Oversize 0.25mm

SN: 26866736-UP

12шт.

4

6745-49-4130

Guide

SN: 26866736-UP

24шт.

5

6744-41-4110

Plug

SN: 26866736-UP

1шт.

6

6744-11-1070

Plug

SN: 26866736-UP

2шт.

7

6744-41-4120

Plug

SN: 26866736-UP

1шт.

8

6754-11-1160

Plug

SN: 26866736-UP

6шт.

9

6745-19-4220

Insert,Exhaust Valve,Standerd

SN: 26866736-UP

12шт.

9

6745-18-4220

Insert,Exhaust Valve,Oversize 0.25mm

SN: 26866736-UP

12шт.

10

Head, Cylinder

SN: 26866736-UP

1шт.

11

6732-11-1910

Plug

SN: 26866736-UP

5шт.

12

6732-11-1920

Plug

SN: 26866736-UP

1шт.

12

6732-21-1960

Plug Assembly, (Not Shwon)

SN: 26866736-UP

1шт.

13

6745-41-4161

Valve, Intake

SN: 26866736-UP

12шт.

14

6745-41-4151

Valve, Exhaust

SN: 26866736-UP

12шт.

15

6746-41-4210

Seal

SN: 26866736-UP

24шт.

16

6744-41-4031

Spring

SN: 26866736-UP

24шт.

17

6744-41-4050

Retainer

SN: 26866736-UP

24шт.

18

6732-41-4520

Collet

SN: 26866736-UP

48шт.

19

6743-11-1610

Bolt

SN: 26866736-UP

26шт.

20

6745-11-1811

Gasket

SN: 26866736-UP

1шт.

Выбрано товаров: 25