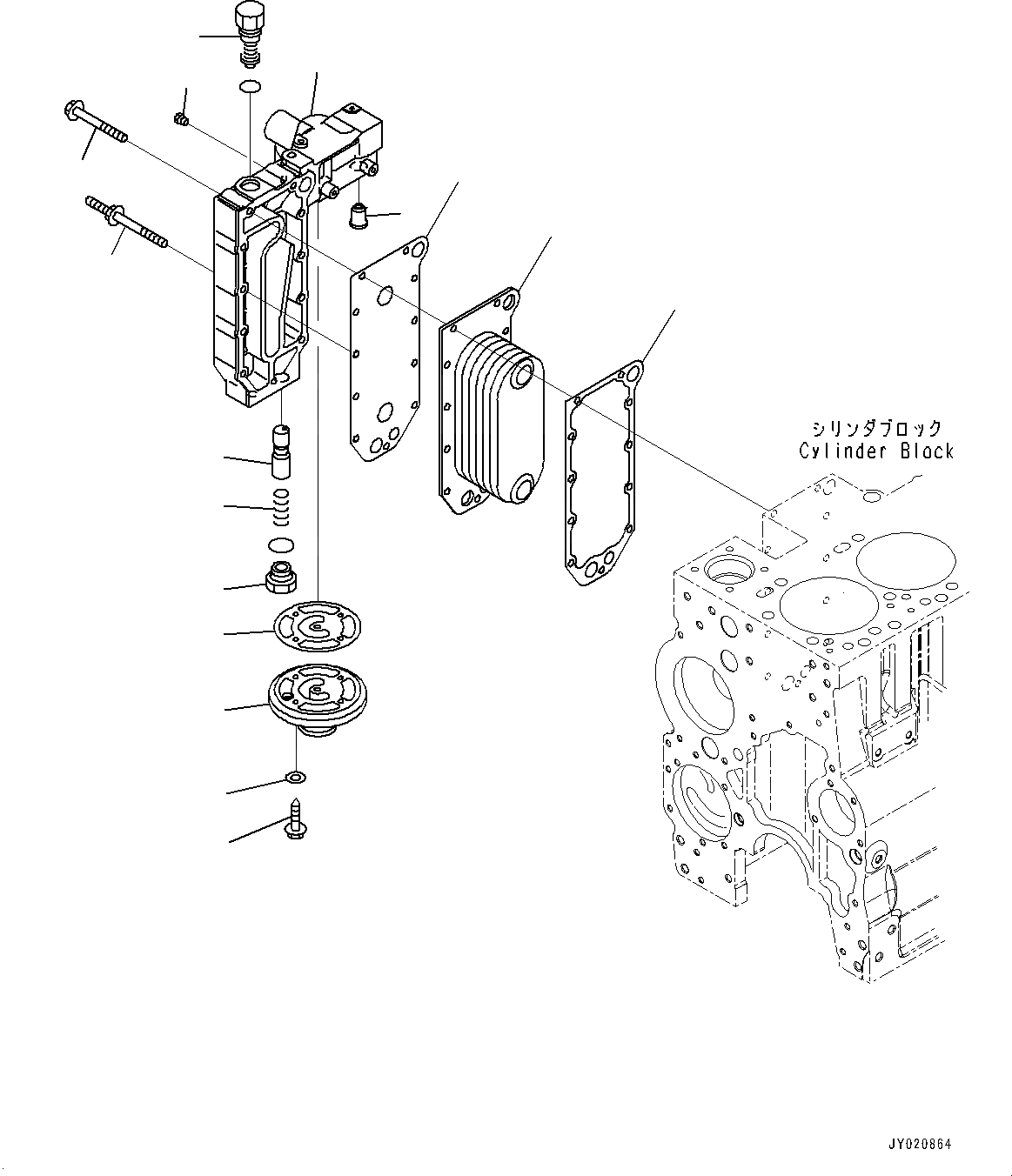
Запчасти Komatsu SAA6D114E-3F ДВИГАТЕЛЬ МАСЛООХЛАДИТЕЛЬ (№87-) ДВИГАТЕЛЬ МАСЛООХЛАДИТЕЛЬ

Схема запчастей Komatsu SAA6D114E-3F - ДВИГАТЕЛЬ МАСЛООХЛАДИТЕЛЬ (№87-) ДВИГАТЕЛЬ МАСЛООХЛАДИТЕЛЬ
2
7
11
15
16
8
9
1
13
12
14
4
3
5
6
10
FIT
1:1
100%

Артикул

Название

Примечание

Количество

1

6743-61-2112

Cover

SN: 26866736-UP

1шт.

2

6731-61-2151

Valve

SN: 26866736-UP

1шт.

3

6742-01-2492

Gasket

SN: 26866736-UP

1шт.

4

6742-01-2500

Head

SN: 26866736-UP

1шт.

5

01437-00825

Bolt

SN: 26866736-UP

4шт.

6

01641-20812

Washer

SN: 26866736-UP

4шт.

7

6732-11-1930

Plug

SN: 26866736-UP

2шт.

8

6742-01-5202

Plunger

SN: 26866736-UP

1шт.

9

6743-61-2150

Spring

SN: 26866736-UP

1шт.

10

6742-01-4220

Plug

SN: 26866736-UP

1шт.

11

6742-01-5117

Valve

SN: 26866736-UP

1шт.

12

6743-51-4430

Gasket

SN: 26866736-UP

1шт.

13

6743-61-2210

Core

SN: 26866736-UP

1шт.

14

6742-01-1080

Gasket

SN: 26866736-UP

1шт.

15

6742-01-2441

Bolt

SN: 26866736-UP

9шт.

16

6741-61-6110

Screw

SN: 26866736-UP

2шт.

Выбрано товаров: 16