Запчасти Komatsu SAA6D114E-5A ДВИГАТЕЛЬ МАСЛООХЛАДИТЕЛЬ ДВИГАТЕЛЬ МАСЛООХЛАДИТЕЛЬ

Схема запчастей Komatsu SAA6D114E-5A - ДВИГАТЕЛЬ МАСЛООХЛАДИТЕЛЬ ДВИГАТЕЛЬ МАСЛООХЛАДИТЕЛЬ
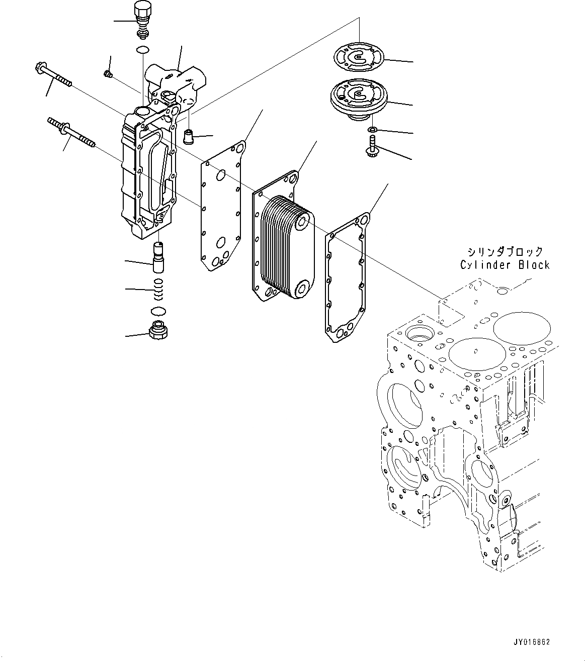
2
7
11
15
16
10
8
9
1
13
12
14
4
3
5
6
FIT
1:1
100%

Артикул

Название

Примечание

Количество

1

Cover Assembly

SN: 21857369-UP

1шт.

2

6731-61-2151

Valve

SN: 21857369-UP

1шт.

3

6742-01-2492

Gasket

SN: 21857369-UP

1шт.

4

6742-01-2500

Head

SN: 21857369-UP

1шт.

5

01641-20812

Washer

SN: 21857369-UP

4шт.

6

01437-00825

Bolt

SN: 21857369-UP

4шт.

7

6732-11-1930

Plug

SN: 21857369-UP

2шт.

8

6742-01-5202

Plunger

SN: 21857369-UP

1шт.

9

6743-61-2150

Spring

SN: 21857369-UP

1шт.

10

6742-01-4220

Plug

SN: 21857369-UP

1шт.

11

6742-01-5117

Valve

SN: 21857369-UP

1шт.

12

6743-51-4430

Gasket

SN: 21857369-UP

1шт.

13

6745-61-2111

Core

SN: 21857369-UP

1шт.

14

6742-01-1080

Gasket

SN: 21857369-UP

1шт.

15

6742-01-2441

Bolt

SN: 21857369-UP

6шт.

16

6741-61-6110

Screw

SN: 21857369-UP

5шт.

Выбрано товаров: 0