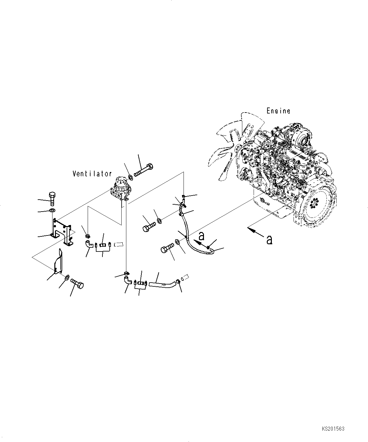
Запчасти Komatsu SAA6D114E-5A KOMATSU ЗАКРЫТ.D CRANKКОРПУС ВЕНТИЛЯТОРILATION (KCCV) (№879-8) KOMATSU ЗАКРЫТ.D CRANKКОРПУС ВЕНТИЛЯТОРILATION (KCCV)

Схема запчастей Komatsu SAA6D114E-5A - KOMATSU ЗАКРЫТ.D CRANKКОРПУС ВЕНТИЛЯТОРILATION (KCCV) (№879-8) KOMATSU ЗАКРЫТ.D CRANKКОРПУС ВЕНТИЛЯТОРILATION (KCCV)
4
5
2
3
1
12
10
9
12
12
10
11
20
21
13
14
19
14
15
16
17
18
19
6
8
7
9
12
12
FIT
1:1
100%

Артикул

Название

Примечание

Количество

1

207-01-41161

Bracket

SN: 21857369-22063408

1шт.

2

01010-81230

Bolt

SN: 21857369-22063408

2шт.

3

01643-31232

Washer

SN: 21857369-22063408

2шт.

4

01010-81070

Bolt

SN: 21857369-22063408

4шт.

5

01643-31032

Washer

SN: 21857369-22063408

4шт.

6

207-01-41171

Cover

SN: 21857369-22063408

1шт.

7

01010-81230

Bolt

SN: 21857369-22063408

2шт.

8

01643-31232

Washer

SN: 21857369-22063408

2шт.

9

6746-21-7230

Hose

SN: 21857369-22063408

2шт.

10

6746-21-7220

Tube

SN: 21857369-22063408

2шт.

11

6746-21-7240

Hose

SN: 21857369-22063408

1шт.

12

07281-00359

Clamp

SN: 21857369-22063408

7шт.

13

207-01-41451

Hose Assembly

SN: 21857369-22063408

1шт.

14

07281-00197

Clamp

SN: 21857369-22063408

2шт.

15

04434-52312

Clip

SN: 21857369-22063408

1шт.

16

07095-20314

Cushion

SN: 21857369-22063408

1шт.

17

01643-31232

Washer

SN: 21857369-22063408

1шт.

18

01016-51255

Bolt

SN: 21857369-22063408

1шт.

19

04434-51612

Clip

SN: 21857369-22063408

2шт.

20

01010-81230

Bolt

SN: 21857369-22063408

2шт.

21

01643-31232

Washer

SN: 21857369-22063408

2шт.

Выбрано товаров: 21