Запчасти Komatsu SAA6D114E-5A ДВИГАТЕЛЬ ХЛАДАГЕНТ ВЕНТИЛЯТОР ДВИГАТЕЛЬ ХЛАДАГЕНТ ВЕНТИЛЯТОР

Схема запчастей Komatsu SAA6D114E-5A - ДВИГАТЕЛЬ ХЛАДАГЕНТ ВЕНТИЛЯТОР ДВИГАТЕЛЬ ХЛАДАГЕНТ ВЕНТИЛЯТОР
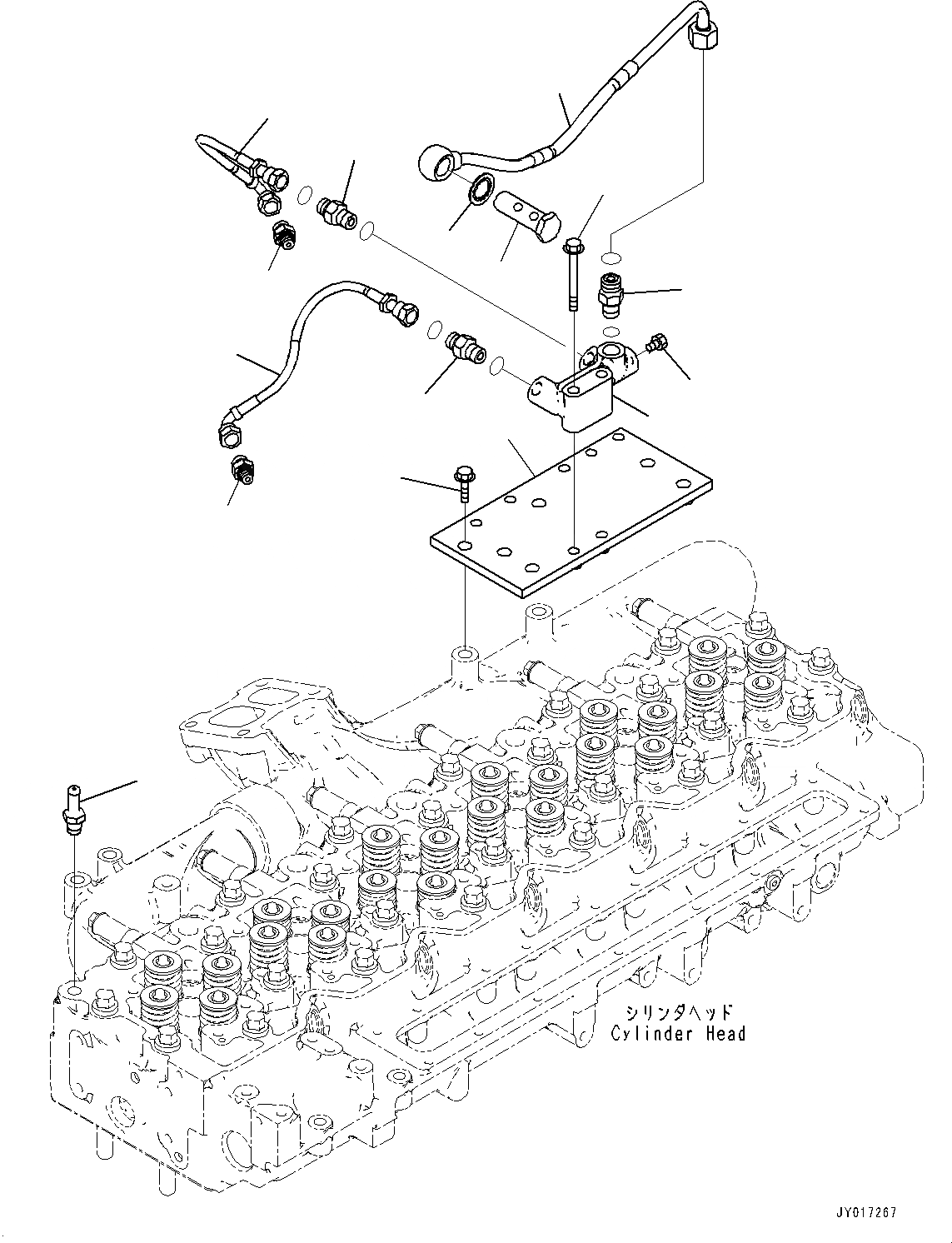
6
13
12
7
8
9
11
10
6
5
4
3
2
10
9
1
FIT
1:1
100%

Артикул

Название

Примечание

Количество

1

6745-61-6120

Fitting

SN: 26900005-UP

1шт.

2

6746-11-5590

Brace

SN: 26900005-UP

1шт.

2

01580-01008

Nut

SN: 26900005-UP

4шт.

3

6731-61-4250

Bolt

SN: 26900005-UP

2шт.

4

6746-61-8180

Connection

SN: 26900005-UP

1шт.

5

02781-0031D

Union

SN: 26900005-UP

1шт.

6

02781-0021D

Union

SN: 26900005-UP

2шт.

7

07040-11409

Plug

SN: 26900005-UP

1шт.

8

6751-71-6340

Bolt

SN: 26900005-UP

2шт.

9

6755-61-7120

Union

SN: 26900005-UP

2шт.

10

6746-61-8110

Tube

SN: 26900005-UP

2шт.

11

6746-61-8120

Tube

SN: 26900005-UP

1шт.

12

6755-61-8190

Screw

SN: 26900005-UP

1шт.

13

6755-61-8140

Seal, Washer

SN: 26900005-UP

1шт.

Выбрано товаров: 14