Запчасти Komatsu SAA6D114E-5A КРЕПЛЕНИЕ ГЕНЕРАТОРА, ДЛЯ AMP. ГЕНЕРАТОР КРЕПЛЕНИЕ ГЕНЕРАТОРА, ДЛЯ AMP. ГЕНЕРАТОР

Схема запчастей Komatsu SAA6D114E-5A - КРЕПЛЕНИЕ ГЕНЕРАТОРА, ДЛЯ AMP. ГЕНЕРАТОР КРЕПЛЕНИЕ ГЕНЕРАТОРА, ДЛЯ AMP. ГЕНЕРАТОР
4
2
3
1
6
5
10
8
7
9
2
11
12
13
14
15
16
17
18
19
22
21
20
FIT
1:1
100%

Артикул

Название

Примечание

Количество

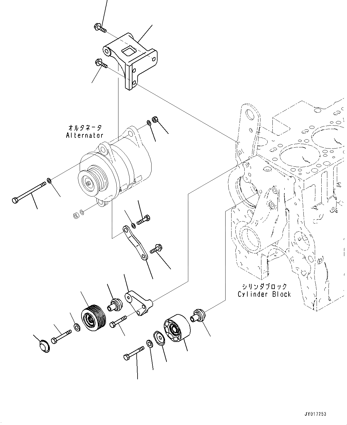
1

6741-81-6520

Bracket

SN: 26900005-UP

1шт.

2

01643-31232

Washer

SN: 26900005-UP

2шт.

3

6207-81-6980

Bolt

SN: 26900005-UP

1шт.

4

01580-11210

Nut

SN: 26900005-UP

1шт.

5

6735-71-3220

Bolt

SN: 26900005-UP

1шт.

6

6735-61-3810

Bolt

SN: 26900005-UP

2шт.

7

6741-81-6510

Brace

SN: 26900005-UP

1шт.

8

01643-31232

Washer

SN: 26900005-UP

1шт.

9

01435-01020

Bolt

SN: 26900005-UP

1шт.

10

01050-31230

Bolt

SN: 26900005-UP

1шт.

11

6745-61-4130

Support

SN: 26900005-UP

1шт.

12

6745-61-4230

Bolt

SN: 26900005-UP

1шт.

13

6743-61-3441

Pulley

SN: 26900005-UP

1шт.

14

6745-61-4120

Bolt

SN: 26900005-UP

1шт.

15

6742-01-5123

Shaft

SN: 26900005-UP

1шт.

16

01643-31032

Washer

SN: 26900005-UP

1шт.

17

6742-01-4560

Cover

SN: 26900005-UP

1шт.

18

6742-62-3610

Pulley Assembly, Idle

SN: 26900005-UP

1шт.

19

6742-01-5123

Shaft

SN: 26900005-UP

1шт.

20

6745-61-4120

Bolt

SN: 26900005-UP

1шт.

21

01643-31032

Washer

SN: 26900005-UP

1шт.

22

6745-82-6530

Shield, Dust

SN: 26900005-UP

1шт.

Выбрано товаров: 22