Запчасти Komatsu SAA6D114E-5A КОЛЕНВАЛ (№9-) КОЛЕНВАЛ

Схема запчастей Komatsu SAA6D114E-5A - КОЛЕНВАЛ (№9-) КОЛЕНВАЛ
4
7
8
7
1
2
9
5
3
6
FIT
1:1
100%

Артикул

Название

Примечание

Количество

|$0

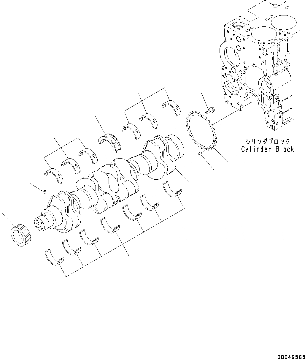
6746-31-1120

Crankshaft

SN: 26900005-UP

1шт.

1

Pin, Dowel

SN: 26900005-UP

1шт.

2

Gear

SN: 26900005-UP

1шт.

2

Crankshaft

SN: 26900005-UP

1шт.

3

Pin, Dowel

SN: 26900005-UP

1шт.

4

Bolt

SN: 26900005-UP

4шт.

5

Crankshaft

SN: 26900005-UP

1шт.

6

Ring

SN: 26900005-UP

1шт.

6

6742-01-5199

Main Metal Assembly

SN: 26900005-UP

1шт.

7

Metal,Upper

SN: 26900005-UP

6шт.

8

Metal,Thrust

SN: 26900005-UP

1шт.

9

Metal,Lower

SN: 26900005-UP

7шт.

9

6742-21-8500

Thrust Metal Assembly

SN: 26900005-UP

1шт.

9

Metal

SN: 26900005-UP

1шт.

9

Metal

SN: 26900005-UP

1шт.

Выбрано товаров: 15