Качественные детали и логистика
Оригинальные и аналоговые запчасти с доставкой по России, Казахстану и Беларуси
©2022 PartSell ООО "Система" ИНН 2463123282 ОГРН 1212400004838
Центральный офис: г. Красноярск, Академика Киренского, д.87, пом.4
Телефон: 8 (800) 777-65-74 Email: zakaz@partsell.ru
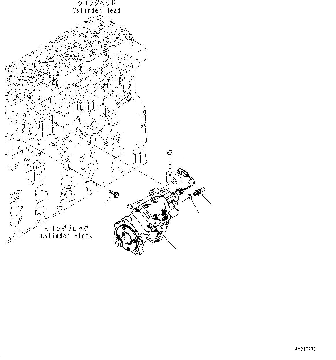
ТОПЛИВН. НАСОС (№9-)
№
Артикул
Название
Примечание
Количество
1
6746-71-1110
Pump Assembly, Fuel Injection
SN: 26900005-UP
1шт.
2
6745-71-1130
Seal, Washer
3
6745-71-6130
Connector
4
6745-71-2110
Bolt
Выбрано товаров: 0