Качественные детали и логистика
Оригинальные и аналоговые запчасти с доставкой по России, Казахстану и Беларуси
©2022 PartSell ООО "Система" ИНН 2463123282 ОГРН 1212400004838
Центральный офис: г. Красноярск, Академика Киренского, д.87, пом.4
Телефон: 8 (800) 777-65-74 Email: zakaz@partsell.ru
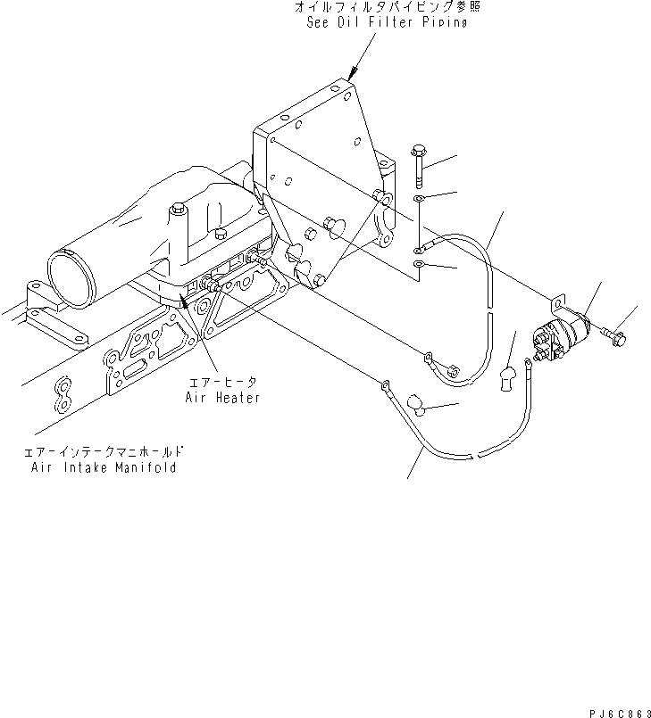
ВЫКЛЮЧАТЕЛЬ ПОДОГРЕВАТЕЛЯ
№
Артикул
Название
Примечание
Количество
1
600-815-2170
SWITCH
SN: .-UP
1шт.
2
01435-00612
BOLT
2шт.
3
6212-82-4350
WIRE
4
01435-01075
5
01640-21016
WASHER
6
6151-81-4520
WIRE, 265MM
7
08038-00519
CAP
Выбрано товаров: 0