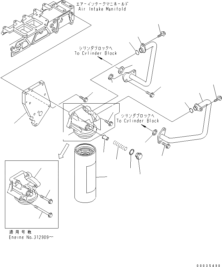
Запчасти Komatsu SAA6D125E-3B-8W МАСЛ. ФИЛЬТР И ТРУБЫ(№-) ДВИГАТЕЛЬ

Схема запчастей Komatsu SAA6D125E-3B-8W - МАСЛ. ФИЛЬТР И ТРУБЫ(№-) ДВИГАТЕЛЬ
1
1
2
3
4
5
6
7
7A
7B
8
9
10
11
12
12
13
14
14
15
15
16
16
1
1
2
3
4
5
6
7
7A
7B
8
9
10
11
12
12
13
14
14
15
15
16
16
FIT
1:1
100%

Артикул

Название

Примечание

Количество

|$2

6217-51-5103

HEAD ASS'Y

SN: 323099-UP

1шт.

|$3

0

HEAD ASS'Y

SN: 312909-323098

1шт.

|$4

0

HEAD ASS'Y

SN: 310001-312908

1шт.

1

6217-51-5111

HEAD

SN: 312909-UP

1шт.

1

6217-51-5110

HEAD

SN: 310001-312908

1шт.

2

600-211-1890

SPRING

SN: 312909-UP

1шт.

2

600-211-1870

SPRING

SN: 310001-312908

1шт.

3

6162-55-5230

VALVE

SN: 312909-UP

1шт.

3

6162-55-5220

VALVE

SN: 310001-312908

1шт.

4

6162-53-5430

PACKING

SN: 310001-UP

1шт.

5

6217-51-5660

CAP

SN: 312909-UP

1шт.

5

6162-55-5210

CAP

SN: 310001-312908

1шт.

6

600-211-1340

CARTRIDGE

SN: 310001-UP

1шт.

7

01435-01035

BOLT

SN: 310001-312908

4шт.

7A

01435-01060

BOLT

SN: 312909-UP

2шт.

7B

01436-01005

BOLT

SN: 312909-UP

2шт.

8

6156-51-5270

BRACKET

SN: 310001-UP

1шт.

9

01435-01035

BOLT

SN: 310001-UP

4шт.

10

6156-51-5770

TUBE,INLET

SN: 310001-UP

1шт.

11

6156-51-5780

TUBE,OUTLET

SN: 310001-UP

1шт.

12

6124-61-2181

GROMMET (K2)

SN: 310001-UP

2шт.

13

6154-51-5810

GROMMET (K2)

SN: 310001-UP

1шт.

14

07000-73025

O-RING (K2)

SN: 310088-UP

2шт.

14

0

O-RING (K2)

SN: 310001-310087

2шт.

15

01435-01025

BOLT

SN: 310001-UP

5шт.

16

01435-01025

BOLT

SN: 310001-UP

2шт.

|$2

6217-51-5103

HEAD ASS'Y

SN: 323099-UP

1шт.

|$3

0

HEAD ASS'Y

SN: 312909-323098

1шт.

|$4

0

HEAD ASS'Y

SN: 310001-312908

1шт.

1

6217-51-5111

HEAD

SN: 312909-UP

1шт.

1

6217-51-5110

HEAD

SN: 310001-312908

1шт.

2

600-211-1890

SPRING

SN: 312909-UP

1шт.

2

600-211-1870

SPRING

SN: 310001-312908

1шт.

3

6162-55-5230

VALVE

SN: 312909-UP

1шт.

3

6162-55-5220

VALVE

SN: 310001-312908

1шт.

4

6162-53-5430

PACKING

SN: 310001-UP

1шт.

5

6217-51-5660

CAP

SN: 312909-UP

1шт.

5

6162-55-5210

CAP

SN: 310001-312908

1шт.

6

600-211-1340

CARTRIDGE

SN: 310001-UP

1шт.

7

01435-01035

BOLT

SN: 310001-312908

4шт.

7A

01435-01060

BOLT

SN: 312909-UP

2шт.

7B

01436-01005

BOLT

SN: 312909-UP

2шт.

8

6156-51-5270

BRACKET

SN: 310001-UP

1шт.

9

01435-01035

BOLT

SN: 310001-UP

4шт.

10

6156-51-5770

TUBE,INLET

SN: 310001-UP

1шт.

11

6156-51-5780

TUBE,OUTLET

SN: 310001-UP

1шт.

12

6124-61-2181

GROMMET (K2)

SN: 310001-UP

2шт.

13

6154-51-5810

GROMMET (K2)

SN: 310001-UP

1шт.

14

07000-73025

O-RING (K2)

SN: 310088-UP

2шт.

14

0

O-RING (K2)

SN: 310001-310087

2шт.

15

01435-01025

BOLT

SN: 310001-UP

5шт.

16

01435-01025

BOLT

SN: 310001-UP

2шт.

Выбрано товаров: 52