Запчасти Komatsu SAA6D125E-3G-8W ЭЛЕКТРОПРОВОДКА (/) ДВИГАТЕЛЬ ЛЕВ. (ДАТЧИК И ПЕРЕКЛЮЧАТЕЛЬ)(№-) ДВИГАТЕЛЬ

Схема запчастей Komatsu SAA6D125E-3G-8W - ЭЛЕКТРОПРОВОДКА (/) ДВИГАТЕЛЬ ЛЕВ. (ДАТЧИК И ПЕРЕКЛЮЧАТЕЛЬ)(№-) ДВИГАТЕЛЬ
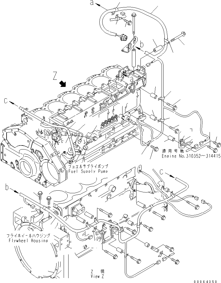
1
2
3
4
4
5
5
6
6
7
8
8
9
10
11
12
13
14
15
16
17
18
19
20
21
22
23
24
FIT
1:1
100%

Артикул

Название

Примечание

Количество

1

6134-11-5120

SPACER

SN: 310352-UP

1шт.

2

04434-51410

CLIP

SN: 310352-UP

1шт.

3

01435-01060

BOLT

SN: 310352-UP

1шт.

4

6156-81-9271

WIRING HARNESS

SN: 312275-UP

1шт.

4

0

WIRING HARNESS

SN: 310352-312274

1шт.

5

6134-11-5120

SPACER

SN: 310352-UP

2шт.

6

04434-51210

CLIP

SN: 310352-UP

2шт.

7

04434-50810

CLIP

SN: 310352-UP

1шт.

8

01435-01060

BOLT

SN: 310352-UP

2шт.

9

01435-01016

BOLT

SN: 310352-UP

1шт.

10

6136-11-5120

SPACER

SN: 310352-UP

1шт.

11

04434-52511

CLIP

SN: 310352-UP

1шт.

12

01435-01095

BOLT

SN: 310352-UP

1шт.

13

6150-81-6940

SPACER

SN: 314416-UP

1шт.

13

6134-11-5120

SPACER

SN: 310352-314415

1шт.

14

426-01-11310

BRACKET

SN: 310352-314415

1шт.

15

01435-01070

BOLT

SN: 314416-UP

1шт.

15

01435-01065

BOLT

SN: 310352-314415

1шт.

16

01435-01016

BOLT

SN: 310352-UP

1шт.

17

08193-20010

CLIP

SN: 310352-UP

1шт.

18

04434-50810

CLIP

SN: 310352-UP

1шт.

19

01435-01220

BOLT

SN: 310352-UP

1шт.

20

08193-20012

CLIP

SN: 310352-UP

1шт.

21

08193-20010

CLIP

SN: 310352-UP

1шт.

22

04434-51010

CLIP

SN: 310508-UP

1шт.

23

01435-01016

BOLT

SN: 310508-UP

1шт.

24

04434-52511

CLIP

SN: 310508-UP

1шт.

Выбрано товаров: 27