Запчасти Komatsu SAA6D125E-3H-8M ВЫКЛЮЧАТЕЛЬ ПОДОГРЕВАТЕЛЯ(№-) ДВИГАТЕЛЬ

Схема запчастей Komatsu SAA6D125E-3H-8M - ВЫКЛЮЧАТЕЛЬ ПОДОГРЕВАТЕЛЯ(№-) ДВИГАТЕЛЬ
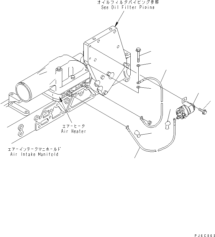
1
2
3
4
5
5
6
7
7
1
2
3
4
5
5
6
7
7
FIT
1:1
100%

Артикул

Название

Примечание

Количество

1

600-815-2170

SWITCH

SN: 310001-UP

1шт.

2

01435-00612

BOLT

SN: 310001-UP

2шт.

3

6212-82-4350

WIRE

SN: 310001-UP

1шт.

4

01435-01075

BOLT

SN: 310675-UP

1шт.

4

01435-01060

BOLT

SN: 310001-610674

1шт.

5

01640-21016

WASHER

SN: 310001-UP

2шт.

6

6151-81-4520

WIRE, 265MM

SN: 310322-UP

1шт.

6

0

WIRE

SN: 310001-310321

1шт.

7

08038-00519

CAP

SN: 310001-UP

2шт.

1

600-815-2170

SWITCH

SN: 310001-UP

1шт.

2

01435-00612

BOLT

SN: 310001-UP

2шт.

3

6212-82-4350

WIRE

SN: 310001-UP

1шт.

4

01435-01075

BOLT

SN: 310675-UP

1шт.

4

01435-01060

BOLT

SN: 310001-610674

1шт.

5

01640-21016

WASHER

SN: 310001-UP

2шт.

6

6151-81-4520

WIRE, 265MM

SN: 310322-UP

1шт.

6

0

WIRE

SN: 310001-310321

1шт.

7

08038-00519

CAP

SN: 310001-UP

2шт.

Выбрано товаров: 18