Запчасти Komatsu SAA6D125E-3H-8M ГЕНЕРАТОР И КРЕПЛЕНИЕ (9A) (ANTI-АНТИКОРРОЗ. ЭЛЕМЕНТ СПЕЦ-Я.)(№-) ДВИГАТЕЛЬ

Схема запчастей Komatsu SAA6D125E-3H-8M - ГЕНЕРАТОР И КРЕПЛЕНИЕ (9A) (ANTI-АНТИКОРРОЗ. ЭЛЕМЕНТ СПЕЦ-Я.)(№-) ДВИГАТЕЛЬ
1
2
3
4
4
5
6
6
7
8
8
9
9
10
11
12
13
14
15
16
17
17
18
19
20
21
22
1
2
3
4
4
5
6
6
7
8
8
9
9
10
11
12
13
14
15
16
17
17
18
19
20
21
22
FIT
1:1
100%

Артикул

Название

Примечание

Количество

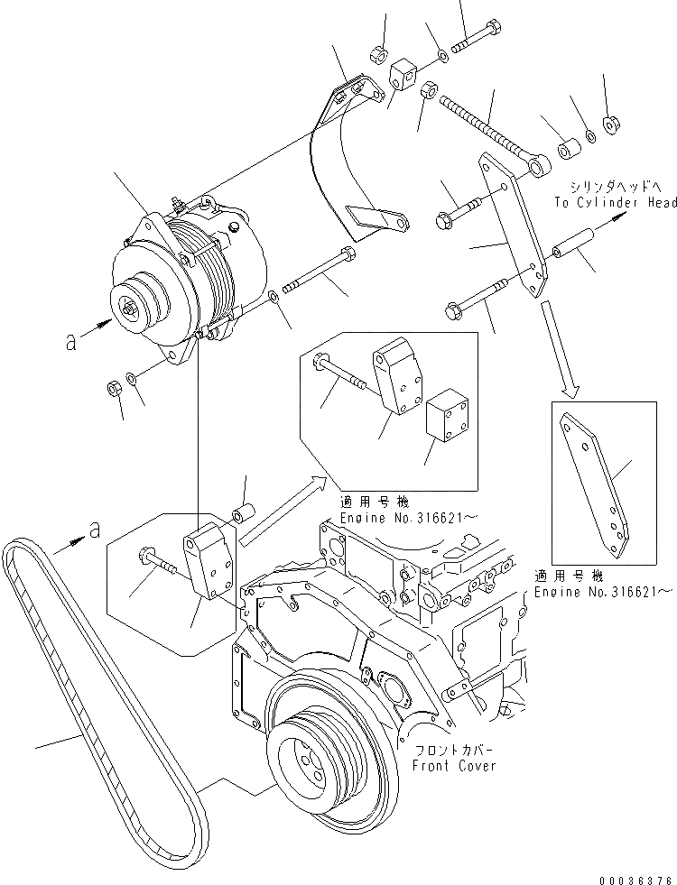
1

600-825-9720

ALTERNATOR A. (90A),(SEE FIG.A6010-B3V9)

SN: 314350-UP

1шт.

2

6136-21-6580

BOLT

SN: 314350-UP

1шт.

3

02205-10812

NUT

SN: 314350-UP

1шт.

4

01640-21323

WASHER

SN: 314350-UP

2шт.

5

6156-81-6931

COVER

SN: 314350-UP

1шт.

6

6156-81-6911

PLATE

SN: 316621-UP

1шт.

6

0

PLATE

SN: 314350-316620

1шт.

7

6156-81-6940

PLATE

SN: 316621-UP

1шт.

8

01436-01000

BOLT

SN: 316621-UP

4шт.

8

0

BOLT

SN: 314350-316620

4шт.

9

6150-82-8663

PLATE

SN: 316621-UP

1шт.

9

0

PLATE

SN: 314350-316620

1шт.

10

6150-71-7130

COLLAR

SN: 314350-UP

2шт.

11

01436-01010

BOLT

SN: 314350-UP

2шт.

12

6150-82-8690

PLATE

SN: 314350-UP

1шт.

13

01435-01255

BOLT

SN: 314350-UP

1шт.

14

6215-81-6150

PIN

SN: 314350-UP

1шт.

15

01584-01210

NUT

SN: 314350-UP

1шт.

16

01643-31232

WASHER

SN: 314350-UP

2шт.

17

01580-11411

NUT

SN: 324205-UP

2шт.

17

01580-01411

NUT

SN: 314350-324204

2шт.

18

6150-82-8610

ROD,ADJUSTING

SN: 314350-UP

1шт.

19

01050-51260

BOLT

SN: 314350-UP

1шт.

20

01643-31232

WASHER

SN: 314350-UP

1шт.

21

205-30-62650

COLLAR

SN: 314350-UP

1шт.

22

04121-21757

V-BELT SET

SN: 319390-UP

1шт.

22

04120-21757

V-BELT

SN: 314350-319389

1шт.

1

600-825-9720

ALTERNATOR A. (90A),(SEE FIG.A6010-B3V9)

SN: 314350-UP

1шт.

2

6136-21-6580

BOLT

SN: 314350-UP

1шт.

3

02205-10812

NUT

SN: 314350-UP

1шт.

4

01640-21323

WASHER

SN: 314350-UP

2шт.

5

6156-81-6931

COVER

SN: 314350-UP

1шт.

6

6156-81-6911

PLATE

SN: 316621-UP

1шт.

6

0

PLATE

SN: 314350-316620

1шт.

7

6156-81-6940

PLATE

SN: 316621-UP

1шт.

8

01436-01000

BOLT

SN: 316621-UP

4шт.

8

0

BOLT

SN: 314350-316620

4шт.

9

6150-82-8663

PLATE

SN: 316621-UP

1шт.

9

0

PLATE

SN: 314350-316620

1шт.

10

6150-71-7130

COLLAR

SN: 314350-UP

2шт.

11

01436-01010

BOLT

SN: 314350-UP

2шт.

12

6150-82-8690

PLATE

SN: 314350-UP

1шт.

13

01435-01255

BOLT

SN: 314350-UP

1шт.

14

6215-81-6150

PIN

SN: 314350-UP

1шт.

15

01584-01210

NUT

SN: 314350-UP

1шт.

16

01643-31232

WASHER

SN: 314350-UP

2шт.

17

01580-11411

NUT

SN: 324205-UP

2шт.

17

01580-01411

NUT

SN: 314350-324204

2шт.

18

6150-82-8610

ROD,ADJUSTING

SN: 314350-UP

1шт.

19

01050-51260

BOLT

SN: 314350-UP

1шт.

20

01643-31232

WASHER

SN: 314350-UP

1шт.

21

205-30-62650

COLLAR

SN: 314350-UP

1шт.

22

04121-21757

V-BELT SET

SN: 319390-UP

1шт.

22

04120-21757

V-BELT

SN: 314350-319389

1шт.

Выбрано товаров: 54