Запчасти Komatsu SAA6D125E-3K-8M МАСЛ. ФИЛЬТР И ТРУБЫ(№78-) ДВИГАТЕЛЬ

Схема запчастей Komatsu SAA6D125E-3K-8M - МАСЛ. ФИЛЬТР И ТРУБЫ(№78-) ДВИГАТЕЛЬ
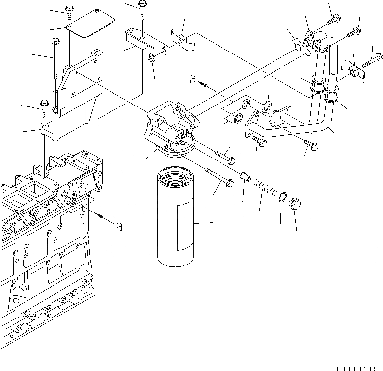
1
2
3
4
5
6
7
8
9
10
11
12
13
14
15
16
17
18
18
19
19
20
21
22
23
24
25
25
26
26
FIT
1:1
100%

Артикул

Название

Примечание

Количество

|1

6217-51-5102

HEAD ASS'Y

SN: 312465-UP

1шт.

|1

0

HEAD ASS'Y

SN: 311768-312464

1шт.

1

0

HEAD

SN: 311768-UP

1шт.

2

600-211-1890

SPRING

SN: 312465-UP

1шт.

|2

600-211-1870

SPRING

SN: 311768-312464

1шт.

3

6162-55-5230

VALVE

SN: 312465-UP

1шт.

|3

6162-55-5220

VALVE

SN: 311768-312464

1шт.

4

6162-53-5430

PACKING

SN: 311768-UP

1шт.

5

6217-51-5660

CAP

SN: 312465-UP

1шт.

|5

6162-55-5210

CAP

SN: 311768-312464

1шт.

6

600-211-1340

CARTRIDGE

SN: 311768-UP

1шт.

7

01435-01060

BOLT

SN: 311768-UP

2шт.

8

01436-01005

BOLT

SN: 311768-UP

2шт.

9

6156-51-5280

BRACKET

SN: 311768-UP

1шт.

10

01435-01045

BOLT

SN: 311768-UP

1шт.

11

01436-01035

BOLT

SN: 311768-UP

3шт.

12

6156-81-2110

PLATE

SN: 311768-UP

1шт.

13

01435-01016

BOLT

SN: 311768-UP

2шт.

14

6156-51-5850

TUBE,INLET

SN: 311768-UP

1шт.

15

6156-51-5860

TUBE,OUTLET

SN: 311768-UP

1шт.

16

6156-51-5870

BRACKET

SN: 311768-UP

1шт.

17

01435-01055

BOLT

SN: 312129-UP

2шт.

|17

0

BOLT

SN: 311768-312128

2шт.

18

07095-00523

CUSHION

SN: 311768-UP

2шт.

19

07094-30518

CLAMP

SN: 311768-UP

2шт.

20

01435-01265

BOLT

SN: 311768-UP

1шт.

21

01584-01210

NUT

SN: 311768-UP

1шт.

22

6124-61-2181

GROMMET (K2)

SN: 311768-UP

2шт.

23

6154-51-5810

GROMMET (K2)

SN: 311768-UP

1шт.

24

07000-73025

O-RING (K2)

SN: 311768-UP

2шт.

25

01435-01025

BOLT

SN: 311768-UP

4шт.

26

01435-01025

BOLT

SN: 311768-UP

2шт.

Выбрано товаров: 32