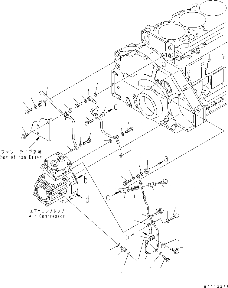
Запчасти Komatsu SAA6D125E-3L-8A КОМПРЕССОР ВОДН. И МАСЛОПРОВОДЯЩАЯ ЛИНИЯ(№8-) ДВИГАТЕЛЬ

Схема запчастей Komatsu SAA6D125E-3L-8A - КОМПРЕССОР ВОДН. И МАСЛОПРОВОДЯЩАЯ ЛИНИЯ(№8-) ДВИГАТЕЛЬ
1
2
2
3
3
3
3
4
5
6
7
8
9
10
11
12
12
13
14
15
16
17
18
19
20
21
22
23
24
25
25
26
26
26
26
27
28
29
29
30
30
30
30
FIT
1:1
100%

Артикул

Название

Примечание

Количество

1

6156-81-1190

NIPPLE

SN: 313158-UP

1шт.

2

07206-30710

BOLT,JOINT

SN: 313158-UP

2шт.

3

07005-01012

GASKET (K8)

SN: 313158-UP

4шт.

4

6156-81-1160

BRACKET

SN: 313158-UP

1шт.

5

01435-01095

BOLT

SN: 313158-UP

1шт.

6

6631-11-6390

SPACER

SN: 313158-UP

1шт.

7

6933-71-8220

CLIP

SN: 313158-UP

1шт.

8

6155-71-5810

CLAMP

SN: 313158-UP

1шт.

9

6155-71-5820

CLAMP

SN: 313158-UP

1шт.

10

01435-00630

BOLT

SN: 313158-UP

1шт.

11

6150-51-9470

BOLT,JOINT

SN: 313158-UP

1шт.

12

07005-01012

GASKET (K8)

SN: 313158-UP

2шт.

13

6150-71-8231

CLIP

SN: 313158-UP

1шт.

14

01435-01016

BOLT

SN: 313158-UP

1шт.

15

6155-71-5810

CLAMP

SN: 313158-UP

1шт.

16

6155-71-5820

CLAMP

SN: 313158-UP

1шт.

17

01435-00630

BOLT

SN: 313158-UP

1шт.

18

6156-81-1150

HOSE

SN: 313158-UP

1шт.

19

6210-11-6570

JOINT

SN: 313158-UP

1шт.

20

07005-01012

GASKET (K8)

SN: 313158-UP

1шт.

21

6156-61-8520

TUBE,RETURN

SN: 313158-UP

1шт.

22

01435-01030

BOLT

SN: 313158-UP

1шт.

23

6933-71-8220

CLIP

SN: 313158-UP

1шт.

24

01584-01008

NUT

SN: 313158-UP

1шт.

25

07206-31014

BOLT,JOINT

SN: 313158-UP

2шт.

26

07005-01412

GASKET (K8)

SN: 313158-UP

4шт.

27

6156-81-1130

TUBE

SN: 313158-UP

1шт.

28

07042-00108

PLUG

SN: 313158-UP

1шт.

29

07206-31014

BOLT,JOINT

SN: 313158-UP

2шт.

30

07005-01412

GASKET (K8)

SN: 313158-UP

4шт.

Выбрано товаров: 0