Запчасти Komatsu SAA6D125E-3L-8A МАСЛ. ФИЛЬТР И ТРУБЫ(№8-) ДВИГАТЕЛЬ

Схема запчастей Komatsu SAA6D125E-3L-8A - МАСЛ. ФИЛЬТР И ТРУБЫ(№8-) ДВИГАТЕЛЬ
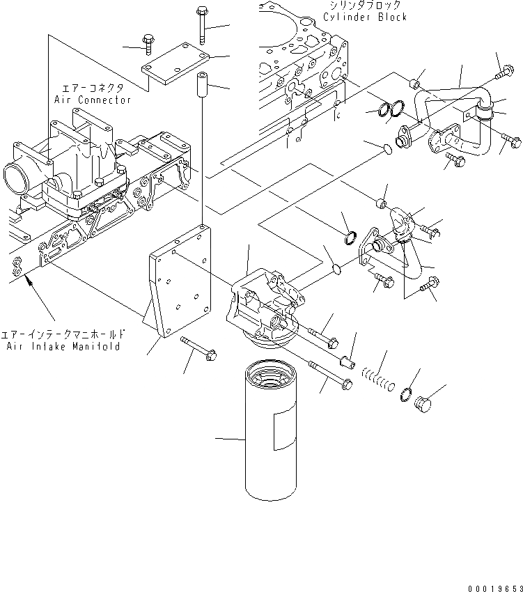
1
2
3
4
5
6
7
8
9
10
11
12
13
14
15
16
17
17
18
19
19
20
20
21
21
22
22
23
23
24
24
25
25
FIT
1:1
100%

Артикул

Название

Примечание

Количество

|$2

6217-51-5102

HEAD ASS'Y

SN: 313158-@

1шт.

1

6217-51-5111

HEAD

SN: 313158-@

1шт.

2

600-211-1890

SPRING

SN: 313158-@

1шт.

3

6162-55-5230

VALVE

SN: 313158-@

1шт.

4

6162-53-5430

PACKING

SN: 313158-@

1шт.

5

6217-51-5660

CAP

SN: 313158-@

1шт.

6

600-211-1340

CARTRIDGE

SN: 313158-@

1шт.

7

01435-01065

BOLT

SN: 313158-@

2шт.

8

01436-01015

BOLT

SN: 313158-@

2шт.

9

6156-51-5251

BRACKET

SN: 313158-@

1шт.

10

01435-01085

BOLT

SN: 313158-@

4шт.

11

6156-51-5130

PLATE

SN: 313158-@

1шт.

12

01435-01030

BOLT

SN: 313158-326023

2шт.

13

6150-81-6940

SPACER

SN: 313158-@

2шт.

14

01435-01080

BOLT

SN: 313158-@

2шт.

15

6156-51-5110

TUBE,INLET

SN: 313158-@

1шт.

16

6156-51-5120

TUBE,OUTLET

SN: 313158-@

1шт.

17

6124-61-2181

GROMMET (K2)

SN: 313158-@

2шт.

18

6154-51-5810

GROMMET (K2)

SN: 313158-@

1шт.

19

07000-73025

O-RING (K2)

SN: 313158-@

2шт.

20

01435-01025

BOLT

SN: 313158-@

5шт.

21

01435-01025

BOLT

SN: 313158-@

2шт.

22

07095-20523

CUSHION

SN: 313158-@

2шт.

23

04434-53211

CLIP

SN: 313158-@

2шт.

24

6631-11-6390

SPACER

SN: 313158-@

2шт.

25

01435-01030

BOLT

SN: 313158-@

2шт.

Выбрано товаров: 26