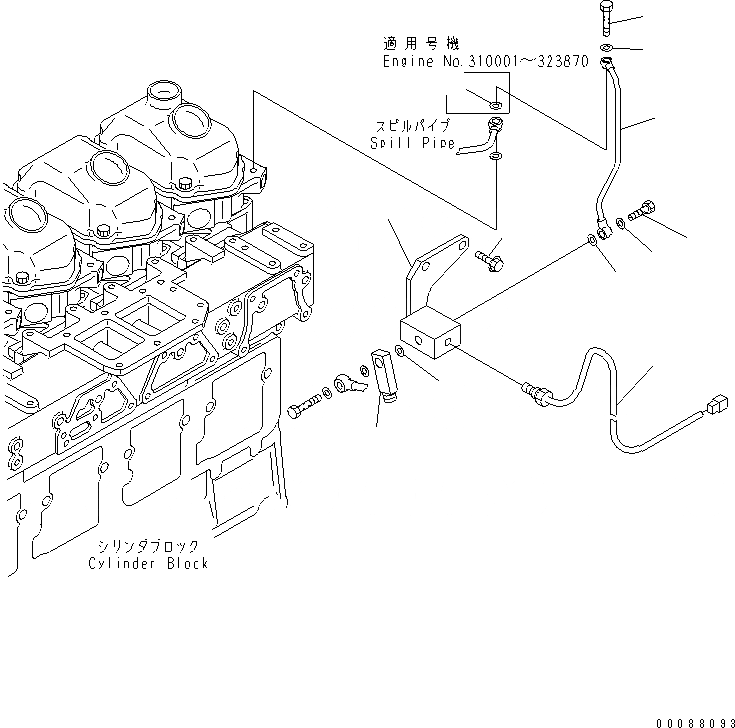
Запчасти Komatsu SAA6D125E-3L-8A ВОЗВРАТ ТОПЛИВА ТРУБЫ(№-) ДВИГАТЕЛЬ

Схема запчастей Komatsu SAA6D125E-3L-8A - ВОЗВРАТ ТОПЛИВА ТРУБЫ(№-) ДВИГАТЕЛЬ
1
2
3
3
4
5
5
6
7
8
9
10
FIT
1:1
100%

Артикул

Название

Примечание

Количество

1

6156-71-5350

TUBE,RETURN

SN: 310001-UP

1шт.

2

6215-11-6560

BOLT,JOINT

SN: 310001-UP

1шт.

3

07005-01012

SEAL, WASHER (K2)

SN: 323872-UP

1шт.

3

07005-01012

SEAL, WASHER (K2)

SN: 310001-323870

2шт.

4

07206-31014

BOLT,JOINT

SN: 310001-UP

1шт.

5

07005-01412

SEAL, WASHER (K2)

SN: 310001-UP

2шт.

6

6156-71-5360

JOINT

SN: 310001-UP

1шт.

7

01435-01025

BOLT

SN: 310001-UP

2шт.

8

7861-93-3520

SENSOR,TEMPERATURE

SN: 310001-UP

1шт.

9

6156-71-5370

JOINT

SN: 310001-UP

1шт.

10

07005-01412

SEAL, WASHER (K2)

SN: 310001-UP

1шт.

Выбрано товаров: 11