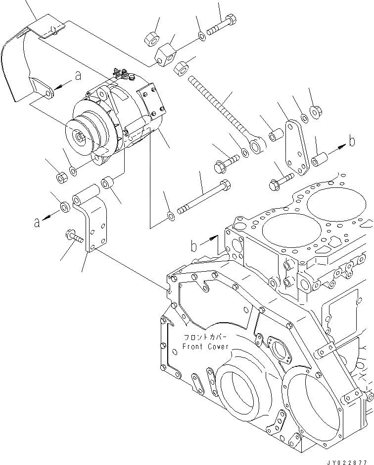
Запчасти Komatsu SAA6D125E-3L-8A ГЕНЕРАТОР И КРЕПЛЕНИЕ (A) (ЗАКАЛЕНН. ШКИВ)(№977-) ДВИГАТЕЛЬ

Схема запчастей Komatsu SAA6D125E-3L-8A - ГЕНЕРАТОР И КРЕПЛЕНИЕ (A) (ЗАКАЛЕНН. ШКИВ)(№977-) ДВИГАТЕЛЬ
1
2
3
4
4
5
6
7
8
9
10
11
12
13
13
14
15
16
16
17
18
19
20
21
FIT
1:1
100%

Артикул

Название

Примечание

Количество

1

600-821-9690

ALTERNATOR A. (50A),(SEE FIG.A6010-B3W1)

SN: 314977-UP

1шт.

2

6128-21-6780

BOLT

SN: 314977-UP

1шт.

3

02205-10812

NUT

SN: 314977-UP

1шт.

4

01640-21323

WASHER

SN: 314977-UP

2шт.

5

6155-81-6470

BRACKET

SN: 314977-UP

1шт.

6

01435-01025

BOLT

SN: 314977-UP

4шт.

7

6150-82-8650

PLATE

SN: 314977-UP

1шт.

8

6144-11-5630

SPACER

SN: 314977-UP

2шт.

9

01435-01060

BOLT

SN: 314977-UP

2шт.

10

6150-82-8610

ROD,ADJUSTING

SN: 314977-UP

1шт.

11

01435-01255

BOLT

SN: 314977-UP

1шт.

12

01584-01210

NUT

SN: 314977-UP

1шт.

13

01643-31232

WASHER

SN: 325989-UP

2шт.

13

01643-31232

WASHER

SN: 314977-325988

1шт.

14

6215-81-6150

PIN

SN: 314977-UP

1шт.

15

6150-82-8690

PLATE

SN: 314977-UP

1шт.

16

01580-11411

NUT

SN: 314977-UP

2шт.

17

01050-51260

BOLT

SN: 314977-UP

1шт.

18

01643-31232

WASHER

SN: 314977-UP

1шт.

19

6156-81-6810

COVER,SAFETY

SN: 314977-UP

1шт.

20

203-937-7890

COLLAR

SN: 314977-UP

1шт.

21

29W-14-11230

SPACER

SN: 314977-UP

1шт.

Выбрано товаров: 22