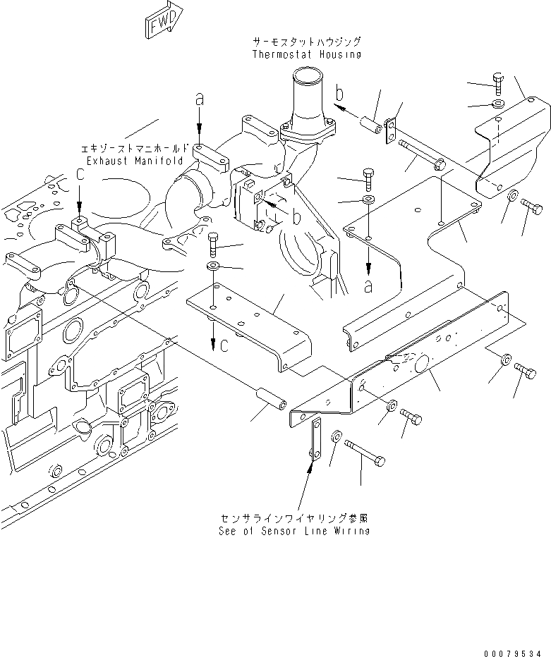
Запчасти Komatsu SAA6D125E-3L-8A ЗАЩИТА (ДЛЯ ВЫПУСКНОЙ КОЛЛЕКТОР)(№8-) ДВИГАТЕЛЬ

Схема запчастей Komatsu SAA6D125E-3L-8A - ЗАЩИТА (ДЛЯ ВЫПУСКНОЙ КОЛЛЕКТОР)(№8-) ДВИГАТЕЛЬ
1
2
2
2
3
3
3
4
5
6
7
8
9
10
11
12
12
13
13
14
15
16
FIT
1:1
100%

Артикул

Название

Примечание

Количество

1

6156-11-5331

BRACKET

SN: 320820-UP

1шт.

2

01010-E1025

BOLT

SN: 320820-UP

5шт.

3

6110-23-6490

SPACER

SN: 320820-UP

5шт.

4

426-01-11310

BRACKET

SN: 320820-UP

1шт.

5

6143-11-4290

SPACER

SN: 320820-UP

1шт.

6

01436-01015

BOLT

SN: 320820-UP

1шт.

7

6156-11-5460

COVER

SN: 320820-UP

1шт.

8

6156-11-5310

BRACKET

SN: 320820-UP

1шт.

9

01010-E1045

BOLT

SN: 320820-UP

2шт.

10

6110-23-6490

SPACER

SN: 320820-UP

2шт.

11

6156-11-5640

COVER

SN: 320820-UP

1шт.

12

01010-E1030

BOLT

SN: 320820-UP

4шт.

13

6110-23-6490

SPACER

SN: 320820-UP

4шт.

14

01010-E1095

BOLT

SN: 320820-UP

5шт.

15

6110-23-6490

SPACER

SN: 320820-UP

5шт.

16

6136-11-5120

SPACER

SN: 320820-UP

5шт.

Выбрано товаров: 16