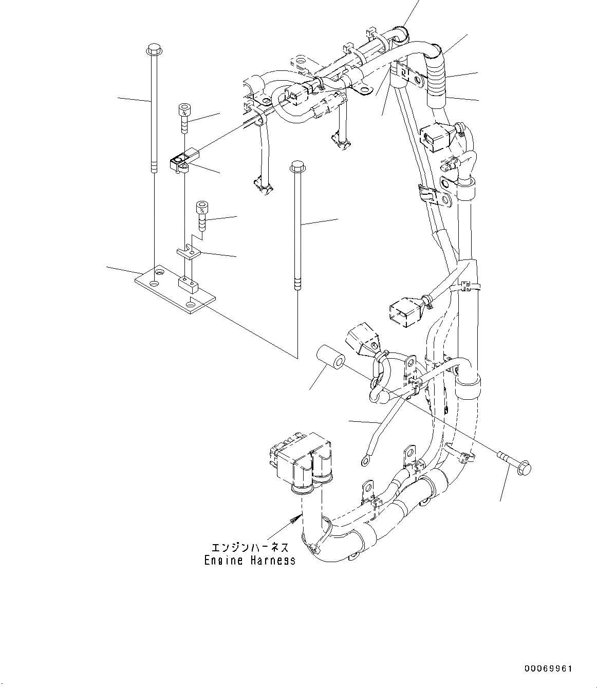
Запчасти Komatsu SAA6D125E-5-FR ПРОВОДКА, ПРОВОДКА, ДВИГАТЕЛЬ (/) (№-8) ПРОВОДКА

Схема запчастей Komatsu SAA6D125E-5-FR - ПРОВОДКА, ПРОВОДКА, ДВИГАТЕЛЬ (/) (№-8) ПРОВОДКА
2
2
1
5
4
5
3
9
10
10
9
10
10
6
7
8
FIT
1:1
100%

Артикул

Название

Примечание

Количество

1

6251-81-9650

Bracket

SN: 660001-660138

1шт.

2

01436-01075

Bolt

SN: 660001-660138

2шт.

3

6261-81-2600

Sensor, Ambient Temperature

SN: 660001-660138

1шт.

4

6251-81-9680

Plate

SN: 660001-660138

1шт.

5

01252-60516

Bolt

SN: 660001-660138

2шт.

6

6245-81-5820

Wire

SN: 660001-660138

1шт.

7

6144-11-5630

Spacer

SN: 660001-660138

1шт.

8

01435-01050

Bolt

SN: 660001-660138

1шт.

9

6251-81-9870

Cover

SN: 660001-660138

2шт.

10

6251-81-9880

Tape

SN: 660001-660138

4шт.

Выбрано товаров: 10