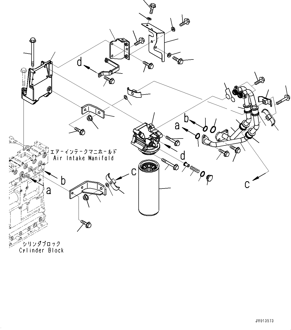
Запчасти Komatsu SAA6D125E-5-FR ДВИГАТЕЛЬ МАСЛ. ФИЛЬТР (№-) ДВИГАТЕЛЬ МАСЛ. ФИЛЬТР, ТРУБЫ

Схема запчастей Komatsu SAA6D125E-5-FR - ДВИГАТЕЛЬ МАСЛ. ФИЛЬТР (№-) ДВИГАТЕЛЬ МАСЛ. ФИЛЬТР, ТРУБЫ
24
33
28
34
31
6
3
2
4
5
8
7
21
25
27
31
32
31
30
30
19
30
22
21
1
23
29
31
34
33
26
24
20
30
9
10
11
18
17
18
17
16
18
17
13
15
12
14
FIT
1:1
100%

Артикул

Название

Примечание

Количество

|$0

6217-51-5103

Head Assembly

SN: 660079-UP

1шт.

|$1

6217-51-5102

Head Assembly

SN: 660001-660078

1шт.

1

6217-51-5112

Head

SN: 660079-UP

1шт.

1

6217-51-5111

Head

SN: 660001-660078

1шт.

2

600-211-1890

Spring

SN: 660001-UP

1шт.

3

6162-55-5230

Valve

SN: 660001-UP

1шт.

4

6162-53-5430

Packing

SN: 660001-UP

1шт.

5

6217-51-5660

Cap

SN: 660001-UP

1шт.

6

600-211-1340

Cartridge

SN: 660001-UP

1шт.

7

01435-01060

Bolt

SN: 660001-UP

2шт.

8

01436-01010

Bolt

SN: 660001-UP

1шт.

9

6251-51-5110

Bracket

SN: 660001-UP

1шт.

9

01435-01080

Bolt

SN: 660001-660086

2шт.

10

01436-01085

Bolt

SN: 660001-UP

2шт.

11

6251-51-5480

Bracket

SN: 660001-UP

1шт.

12

01435-01020

Bolt

SN: 660001-UP

2шт.

13

6251-51-5490

Bracket

SN: 660001-UP

1шт.

14

01435-01020

Bolt

SN: 660001-UP

1шт.

15

01436-01015

Bolt

SN: 660001-UP

1шт.

16

6251-51-5380

Cover

SN: 660001-UP

1шт.

17

01435-01025

Bolt

SN: 660001-UP

4шт.

18

6110-23-6490

Spacer

SN: 660001-UP

4шт.

19

6251-51-5650

Tube,Inlet

SN: 660001-UP

1шт.

20

6251-51-5660

Tube, Return

SN: 660001-UP

1шт.

21

6124-61-2181

Grommet

SN: 660001-UP

2шт.

22

6154-51-5810

Grommet

SN: 660001-UP

1шт.

23

07000-73025

O-ring

SN: 660001-UP

2шт.

24

01435-01025

Bolt

SN: 660001-UP

5шт.

25

01435-01025

Bolt

SN: 660001-UP

2шт.

26

6251-51-5170

Bracket

SN: 660001-UP

1шт.

27

01435-01025

Bolt

SN: 660001-UP

1шт.

28

6251-51-5150

Bracket

SN: 660001-UP

1шт.

29

01435-01025

Bolt

SN: 660001-UP

2шт.

30

6251-51-5180

Cushion

SN: 660001-UP

4шт.

31

07094-30518

Clamp

SN: 660001-UP

4шт.

32

01435-01275

Bolt

SN: 660001-UP

2шт.

33

01584-01210

Nut

SN: 660001-UP

2шт.

34

01643-31232

Washer

SN: 660001-UP

2шт.

Выбрано товаров: 38