Запчасти Komatsu SAA6D125E-5A-02 МАСЛ. ФИЛЬТР И ТРУБЫ(№-) ДВИГАТЕЛЬ

Схема запчастей Komatsu SAA6D125E-5A-02 - МАСЛ. ФИЛЬТР И ТРУБЫ(№-) ДВИГАТЕЛЬ
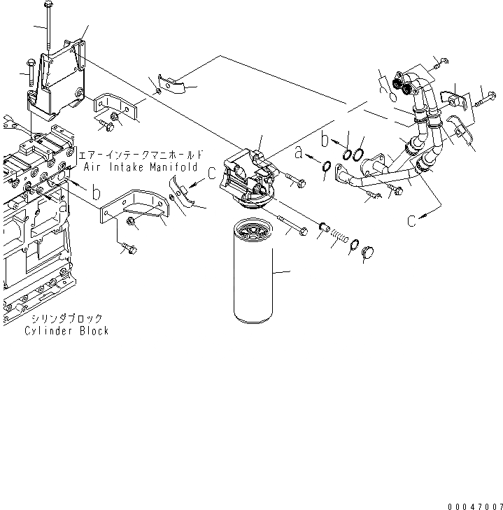
1
2
3
4
5
6
7
8
9
10
11
12
13
14
14
15
16
17
17
18
19
20
21
22
23
23
23
23
24
24
24
24
25
26
26
27
27
FIT
1:1
100%

Артикул

Название

Примечание

Количество

|$2

6217-51-5103

HEAD ASS'Y,OIL FILTER

SN: 566514-UP

1шт.

|$3

6217-51-5102

HEAD ASS'Y,OIL FILTER

SN: 560004-566513

1шт.

1

6217-51-5112

HEAD

SN: 566514-UP

1шт.

1

6217-51-5111

HEAD

SN: 560004-566513

1шт.

2

600-211-1890

SPRING

SN: 560004-UP

1шт.

3

6162-55-5230

VALVE

SN: 560004-UP

1шт.

4

6162-53-5430

PACKING

SN: 560004-UP

1шт.

5

6217-51-5660

CAP

SN: 560004-UP

1шт.

6

600-211-1340

CARTRIDGE,OIL

SN: 560004-UP

1шт.

7

01435-01060

BOLT

SN: 560004-UP

2шт.

8

01436-01010

BOLT

SN: 560004-UP

2шт.

9

6251-51-5110

BRACKET

SN: 560004-UP

1шт.

10

01435-01080

BOLT

SN: 560004-UP

2шт.

11

01436-01085

BOLT

SN: 560004-UP

2шт.

12

6251-51-5650

TUBE,INLET

SN: 560004-UP

1шт.

13

6251-51-5660

TUBE,RETURN

SN: 560004-UP

1шт.

14

6124-61-2181

GROMMET

SN: 560004-UP

2шт.

15

6154-51-5810

GROMMET

SN: 560004-UP

1шт.

16

07000-73025

O-RING

SN: 560004-UP

2шт.

17

01435-01025

BOLT

SN: 560004-UP

5шт.

18

01435-01025

BOLT

SN: 560004-UP

2шт.

19

6251-51-5170

BRACKET

SN: 560004-UP

1шт.

20

01435-01025

BOLT

SN: 560004-UP

1шт.

21

6251-51-5150

BRACKET

SN: 560004-UP

1шт.

22

01435-01025

BOLT

SN: 560004-UP

2шт.

23

6251-51-5180

CUSHION

SN: 560004-UP

4шт.

24

07094-30518

CLAMP

SN: 560004-UP

4шт.

25

01435-01275

BOLT

SN: 560004-UP

2шт.

26

01584-01210

NUT

SN: 560004-UP

2шт.

27

01643-31232

WASHER

SN: 560004-UP

2шт.

Выбрано товаров: 30