Запчасти Komatsu SAA6D125E-5A-02 ГЕНЕРАТОР И КРЕПЛЕНИЕ (A)(№-) ДВИГАТЕЛЬ

Схема запчастей Komatsu SAA6D125E-5A-02 - ГЕНЕРАТОР И КРЕПЛЕНИЕ (A)(№-) ДВИГАТЕЛЬ
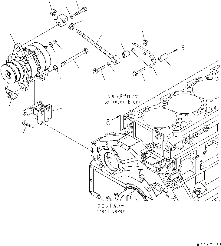
1
2
3
4
5
6
7
8
9
10
11
12
13
14
14
15
16
17
18
19
20
FIT
1:1
100%

Артикул

Название

Примечание

Количество

1

600-821-9680

ALTERNATOR A. (50A),(SEE FIG.A6010-B3X1)

SN: 560004-UP

1шт.

2

600-815-9980

WASHER

SN: 560004-UP

1шт.

3

600-815-9970

WASHER

SN: 560004-UP

1шт.

4

6128-21-6780

BOLT

SN: 560004-UP

1шт.

5

6156-81-6371

BRACKET

SN: 560004-UP

1шт.

6

01640-21323

WASHER

SN: 560004-UP

1шт.

7

6156-81-6480

BRACKET

SN: 560004-UP

1шт.

8

01435-01030

BOLT

SN: 560004-UP

4шт.

9

6150-82-8650

PLATE

SN: 560004-UP

1шт.

10

01435-01065

BOLT

SN: 560004-UP

2шт.

11

6206-11-4490

SPACER

SN: 560004-UP

2шт.

12

6150-82-8610

ROD,ADJUSTING

SN: 560004-UP

1шт.

13

6150-82-8690

PLATE

SN: 560004-UP

1шт.

14

01580-11411

NUT

SN: 560004-UP

2шт.

15

6215-81-6150

PIN,INNER

SN: 560004-UP

1шт.

16

01435-01255

BOLT

SN: 560004-UP

1шт.

17

01584-01210

NUT

SN: 560004-UP

1шт.

18

01643-31232

WASHER

SN: 560004-UP

1шт.

19

01050-51260

BOLT

SN: 560004-UP

1шт.

20

01643-31232

WASHER

SN: 560004-UP

1шт.

Выбрано товаров: 20