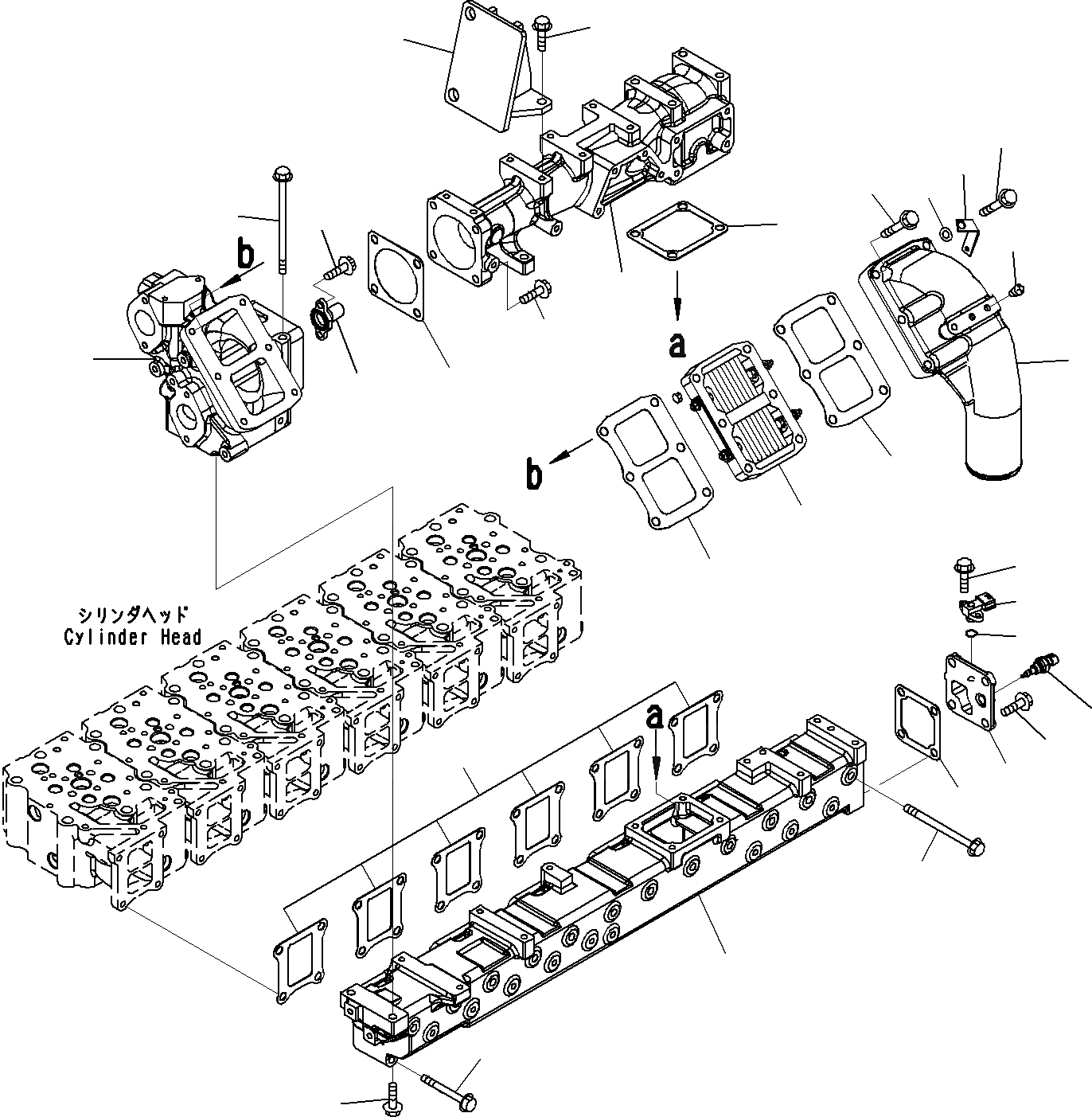
Запчасти Komatsu SAA6D125E-5A ТРУБОПРОВОД ВПУСКА ВОЗДУХА ДВИГАТЕЛЬ ГОЛОВКА ЦИЛИНДРОВ И ITS КОМПОНЕНТЫ

Схема запчастей Komatsu SAA6D125E-5A - ТРУБОПРОВОД ВПУСКА ВОЗДУХА ДВИГАТЕЛЬ ГОЛОВКА ЦИЛИНДРОВ И ITS КОМПОНЕНТЫ
22
11
10
9
8
7
6
5
4
3
2
1
12
13
14
15
16
17
18
19
28
13
20
21
23
24
25
26
27
28
29
30
FIT
1:1
100%

Артикул

Название

Примечание

Количество

1

6251-11-4110

Manifold, Intake

SN: 560004-UP

1шт.

2

01436-01030

Bolt

SN: 560004-UP

12шт.

3

01435-01080

Bolt

SN: 560004-UP

12шт.

4

6251-11-4250

Cover

SN: 560004-UP

1шт.

5

6251-11-4260

Gasket

SN: 560004-UP

1шт.

6

01435-01025

Bolt

SN: 560004-UP

4шт.

7

6150-13-4810

Gasket

SN: 560004-UP

6шт.

|8

6261-81-2700

Sensor, Boost

SN: 560004-UP

1шт.

8

6261-81-2710

Sensor

SN: 560004-UP

1шт.

9

6261-81-2720

O-ring

SN: 560004-UP

1шт.

10

01435-00616

Bolt

SN: 560004-UP

2шт.

11

6560-61-7300

Sensor, Temperature

SN: 560004-UP

1шт.

|11

6560-61-7310

Sensor

SN: 560004-UP

1шт.

|11

6735-21-1930

O-ring

SN: 560004-UP

1шт.

12

6251-11-4320

Connector

SN: 560004-UP

1шт.

13

6251-11-4830

Gasket

SN: 560004-UP

2шт.

14

600-815-3811

Heater

SN: 560004-UP

1шт.

15

01435-01070

Bolt

SN: 560004-UP

5шт.

16

01435-01075

Bolt

SN: 560004-UP

1шт.

17

07042-A0108

Plug

SN: 560004-UP

2шт.

18

6156-81-4520

Bracket

SN: 560004-UP

1шт.

19

01643-31032

Washer

SN: 560004-UP

1шт.

20

6251-11-7210

Housing

SN: 560004-UP

1шт.

21

01436-01060

Bolt

SN: 560004-UP

2шт.

22

01435-01040

Bolt

SN: 560004-UP

2шт.

23

6251-11-9730

Nozzle

SN: 560004-UP

1шт.

24

01437-10816

Bolt

SN: 560004-UP

2шт.

25

6251-11-7410

Connector

SN: 560004-UP

1шт.

26

6251-11-7450

Gasket

SN: 560004-UP

1шт.

27

01435-01035

Bolt

SN: 560004-UP

4шт.

28

6251-11-4820

Gasket

SN: 560004-UP

1шт.

29

6251-11-4410

Bracket

SN: 560004-UP

1шт.

30

01435-01045

Bolt

SN: 560004-UP

2шт.

Выбрано товаров: 33